Т-25Фt-25f
Поиск деталей
Например: Трактор Т-25Ф. Общий вид

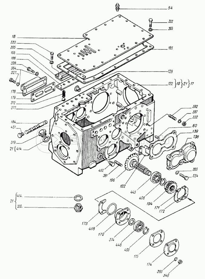
Коробка передач (установка шестерен) 25Ф.37.010

Коробка передач (установка шестерен) 25ФМ.37.010

Коробка передач (блокировка передач) 25Ф.37.010

Коробка передач (вал промежуточный) 25Ф.37.010

Коробка передач (вал промежуточный) 25ФМ.37.010

Коробка передач (вал главный) 25Ф.37.010

Коробка передач (вал главный) 25ФМ.37.010

Коробка передач (вал первичный) 25Ф.37.010

Коробка передач (дифференциал) 25Ф.37.010

Коробка передач (валики переключения передач) 25Ф.37.010

Коробка передач (валики переключения передач) 25ФМ.37.010

Колонка 25Ф.37.085