To content
Помощь по сайту
Новости
zapros.kg@autopiter.com
Контакты
Все категории
Каталоги запчастей
Бишкек
Вход
Корзина
Все категории
Каталоги запчастей
Фильтры Hebel Kraft
Оригинальные каталоги по VIN
Неоригинальные запчасти
Запчасти ВАЗ, ГАЗ, КАМАЗ
Запчасти для ТО
Для спецтехники
Запчасти на ВАЗ, ГАЗ, Камаз и т.д.
ХТЗ
Т-25Ф
Т-25Ф
t-25f
Поиск деталей
Например:
Трактор Т-25Ф. Общий вид
Кузов
Элементы облицовочные
Двигатель
Двигатель
Система питания
Система выпуска отработавших газов
Трансмиссия
Сцепление
Коробка передач
Привод мостов
Ходовая часть
Рама
Мост
Колеса
Механизмы управления
Рулевое управление
Гидросистема
Тормоза
Электрооборудование
Электрооборудование
Приложения
Общий вид
Инструмент
Таблицы нормалей
Подшипники
Покупные изделия
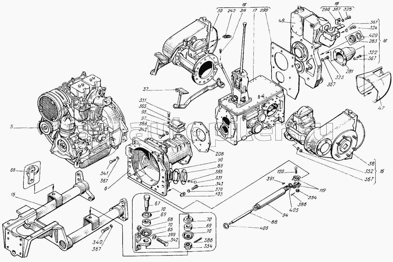
Моторно-трансмиссионный блок 25Ф.00.002
Двигатель 25Ф.01.010-1
Заказы на сайте принимаются и обрабатываются круглосуточно
Бесплатно доставляем заказы «до двери» оптовым клиентам 5‑6 раз в неделю нашей собственной курьерской службой
Для тех, кто забирает заказы самостоятельно мы стараемся удобно располагать наши пункты самовывоза
Оплатить все товары можно
Или выбрать другой удобный для вас способ