To content
Помощь по сайту
Новости
zapros.kg@autopiter.com
Контакты
Все категории
Каталоги запчастей
Бишкек
Вход
Корзина
Все категории
Каталоги запчастей
Фильтры Hebel Kraft
Оригинальные каталоги по VIN
Неоригинальные запчасти
Запчасти ВАЗ, ГАЗ, КАМАЗ
Запчасти для ТО
Для спецтехники
Запчасти на ВАЗ, ГАЗ, Камаз и т.д.
ЛТЗ
ЛТЗ-55
ЛТЗ-55
ltz-55
Поиск деталей
Например:
Кабина
Кузов
Кабина
Окно ветровое и заднее
Принадлежности
Вентиляция и отопление
Капот, крылья, облицовка радиатора
Двигатель
Двигатель
Система питания
Система выпуска отработанных газов
Система охлаждения
Система смазки
Трансмиссия
Трансмиссия
Сцепление
Коробка передач
Коробка раздаточная
Ходоуменьшитель
Передача карданная
Мост передний
Мост задний
Ходовая часть
Рама
Подвеска
Ось передняя
Колеса
Механизмы управления
Управление рулевое
Тормоза
Электрооборудование
Электрооборудование
Приборы и датчики
Дополнительное оборудование
Коробка отбора мощности
Оборудование навесное
Принадлежности
Инструмент и принадлежности
Приложение
Трактора (сборочные единицы)
Электрооборудование
Электрооборудование
Электрооборудование
Установка генератора
Ящики аккумуляторные
Ящики аккумуляторные
Установка аккумуляторов
Установка передних фар и фонарей
Фара задняя
Фонарь передний
Электрооборудование крыши кабины
Установка задних фар и фонарей
Фонарь задний
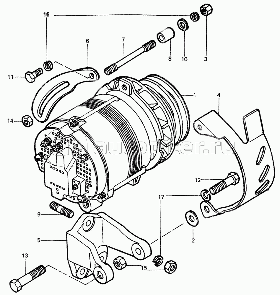
Генератор
Статор
Заказы на сайте принимаются и обрабатываются круглосуточно
Бесплатно доставляем заказы «до двери» оптовым клиентам 5‑6 раз в неделю нашей собственной курьерской службой
Для тех, кто забирает заказы самостоятельно мы стараемся удобно располагать наши пункты самовывоза
Оплатить все товары можно
Или выбрать другой удобный для вас способ