ЛТЗ-55ltz-55
Поиск деталей
Например: Кабина

Система питания

Фильтр топливный грубой очистки

Фильтр топливный тонкой очистки

Форсунка 6Т2-20с1-2Д

Форсунка 16.1112010

Насос топливоподкачивающий

Воздухоочиститель

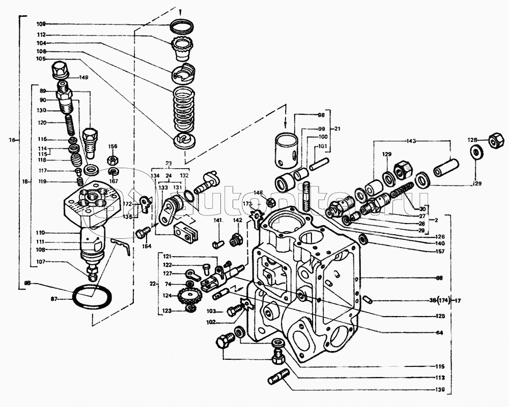
Насос топливный

Насос топливный

Насос топливный

Насос топливный

Насос топливный

Бак топливный

Топливопроводы

Фильтр

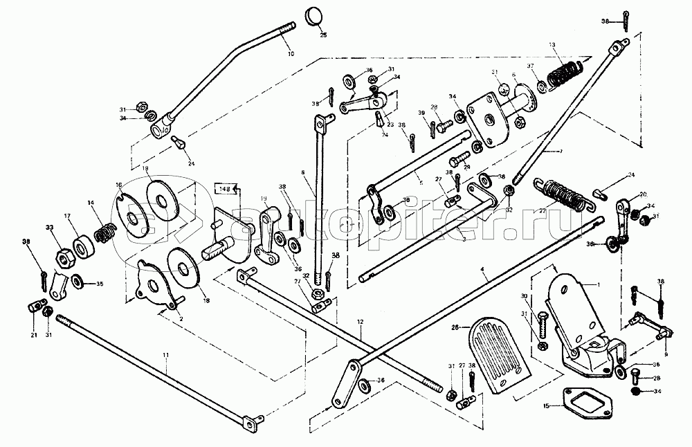
Управление подачей топлива

Установка воздухоочистителя