Fend-8300/8350fend-8300-8350
Поиск деталей
Например: Knives And Fingers - Freeflow, 20-22'
TABLEREELTABLE CHANNELCONCAVE, THRESHING DRUM AND REAR BEATERSTRAW SHAKERCLEANING UNIT AND MAIN FANELEVATORSENGINEGRAIN TANK - GUARDSDRIVE UNITTRANSMISSIONSCHASSISOPERATOR PLATFORMHYDRAULICMACHINE HOUSING - GUARDSTOOLS & ELECTRICAL SYSTEMSTRAW CHOPPERDECALS

Knives And Fingers - Freeflow, 20-22'

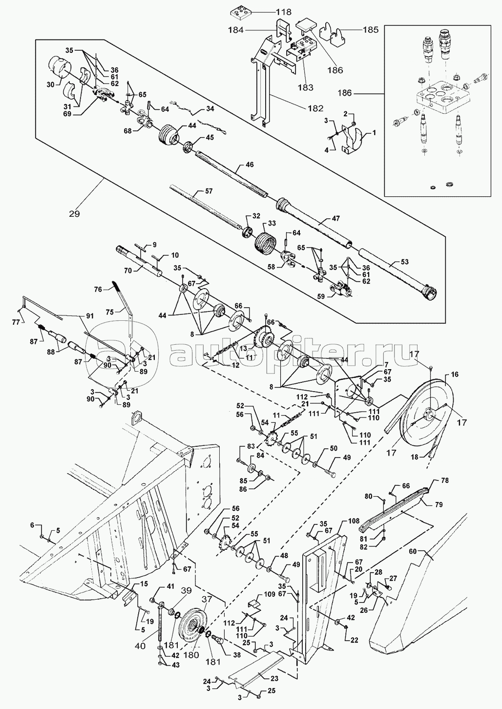
Table Auger Right Hand - Freeflow, 20-22'

Table Auger Left Hand - Freeflow, 20-22'

Guarding And Transmissions - Freeflow, 20-22'

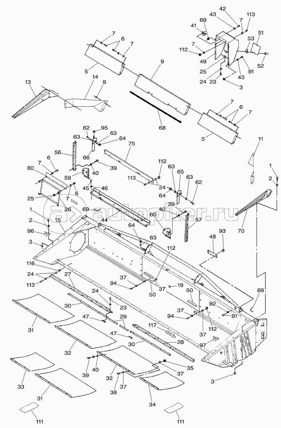
Table Housing And Guarding - Freeflow, 20-22'

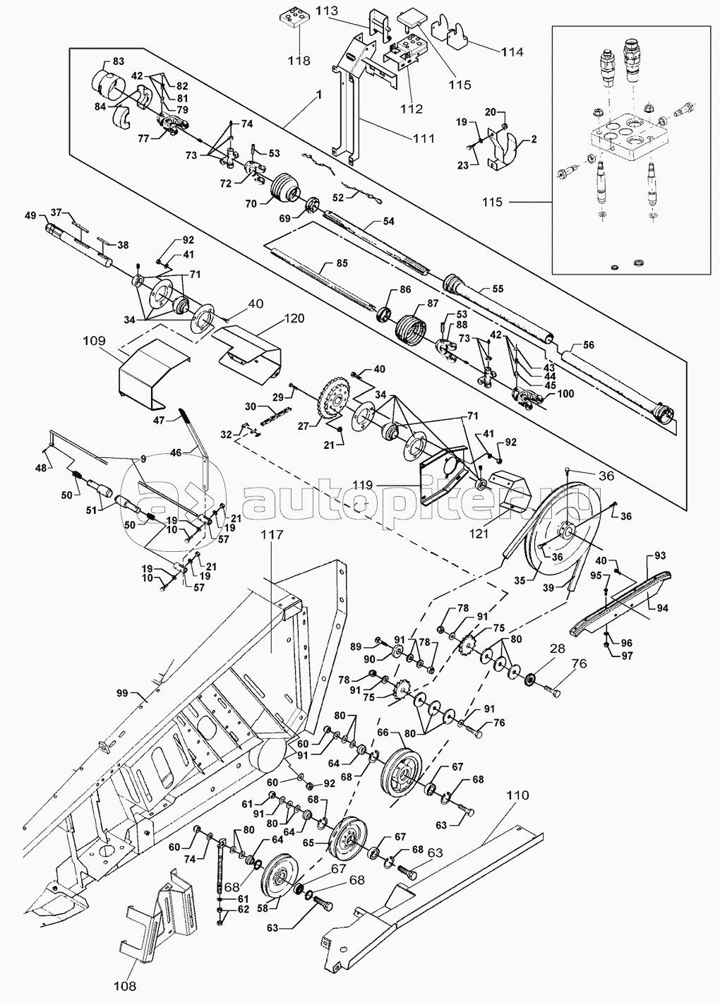
Knives And Fingers - Powerflow

Table Auger Right Hand - Powerflow, 18'-20'-22'

Tabel Auger Left Hand - Powerflow, 20-22'

Guarding And Transmissions - Powerflow, 20'

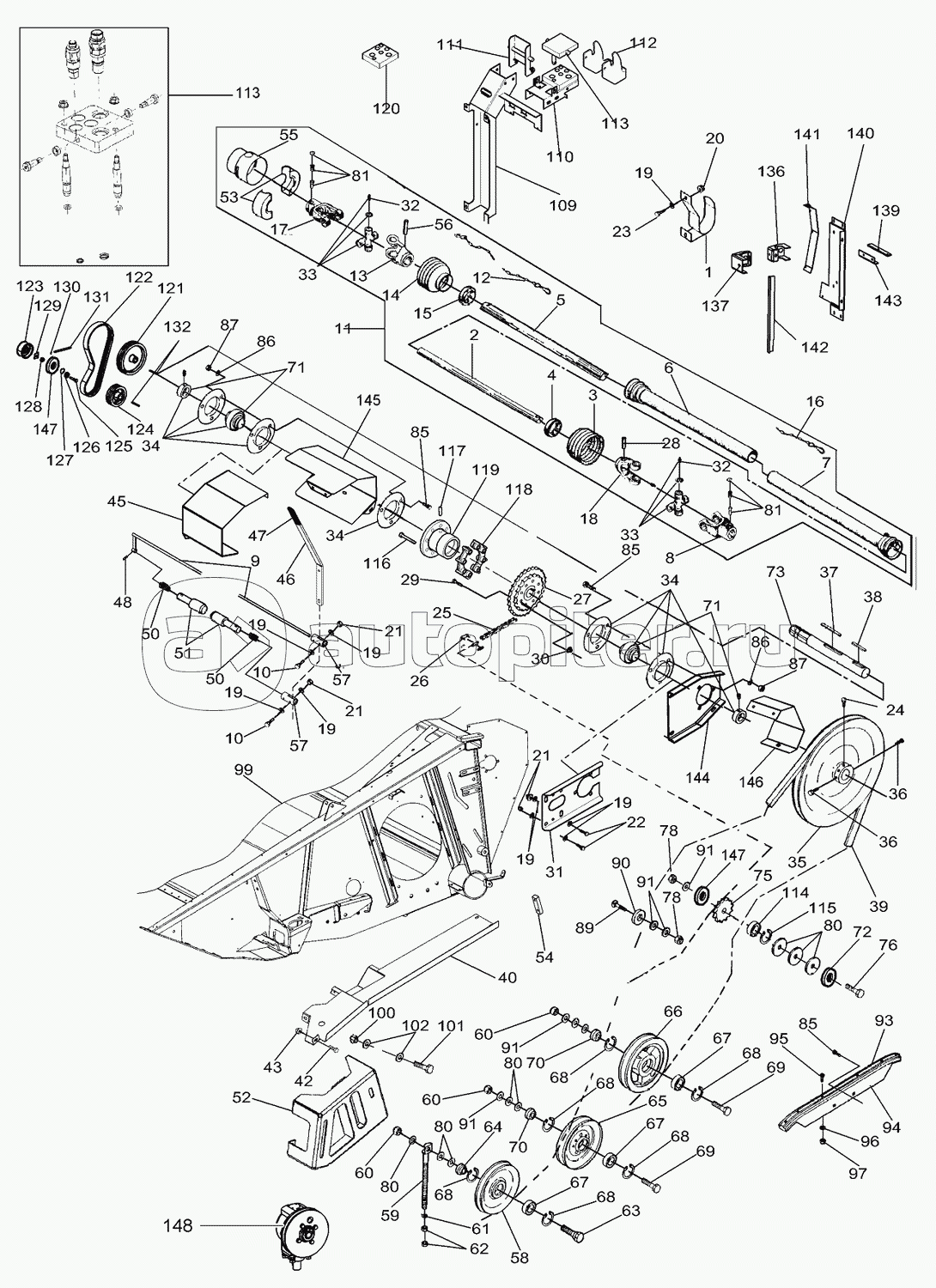
Table Housing And Guarding - Powerflow, 20-22' - From 942482

Table Housing And Guarding - Powerflow, 20-22' Up To 942481

Knives And Fingers - Powerflow, 25'

Feeder Drum Right Hand - Powerflow, 25'

Feeder Drum Left Hand - Powerflow, 25'

Guarding And Transmissions - Powerflow, 22' - 25'

Table Housing And Guarding - Powerflow, 25' - From 942482

Table Housing And Guarding - Powerflow, 25' - From 942482

Powerflow Band - Rear, 18'-20'-22'

Powerflow Band - Front, 18'-20'-22'

Powerflow Band - Rear, 25'

Powerflow Band - Front, 25'

Oilseed Rape Auger, From Serial No 942482

Oilseed Rape Auger, Up To 942481

Straw Dividers, From 61365

Straw Dividers, Up To 61364

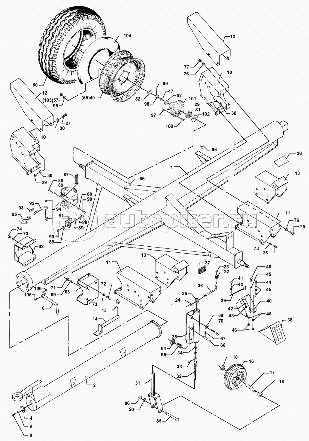
Table Trailer

Table Trailer, Up To No. 7374033

Table Trailer - With Trailor Braking, World Wide Hook Up - From Serial No 942482

Table Trailer - Without Trailor Brake, World Wide Hook Up - From Serial No 942482

Lightening Bracket

Electric Vertical Knife

Decals

Multi-Coupling