Fend-8300/8350fend-8300-8350
Поиск деталей
Например: Knives And Fingers - Freeflow, 20-22'
TABLEREELTABLE CHANNELCONCAVE, THRESHING DRUM AND REAR BEATERSTRAW SHAKERCLEANING UNIT AND MAIN FANELEVATORSENGINEGRAIN TANK - GUARDSDRIVE UNITTRANSMISSIONSCHASSISOPERATOR PLATFORMHYDRAULICMACHINE HOUSING - GUARDSTOOLS & ELECTRICAL SYSTEMSTRAW CHOPPERDECALS

Fan Housing - Doors And Batteries

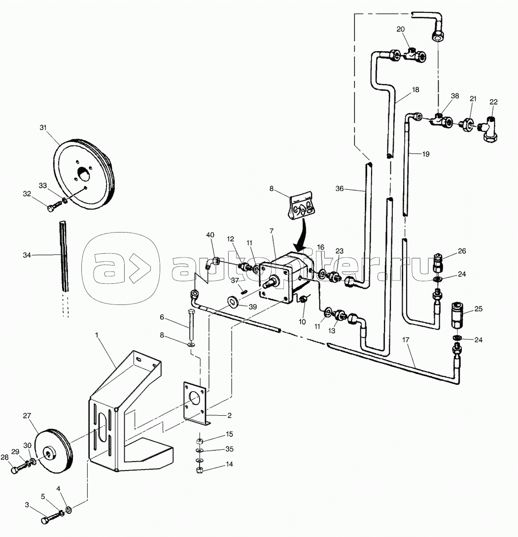
Main Fan Variator

Counter Drive

Eccentric Drive

Lower Shaker Shoe And Sieves

Lower Shaker Shoe And Suspension

Upper Shaker Shoe And Sieves

Upper Shaker Shoe And Suspension

Conveyor Pan And Suspension

Chaff Spreader - Rekord

Hydraulic Pump For Chaff Spreader

Windbreak And Side Guard For Chaff Spreader

Electric Screen