Уралецuralec
Поиск деталей
Например: Механизм управления двигателем (120/160)
ДвигательСцеплениеОсь передняяКолесаКоробка передачРулевой механизмПолуось задняяТормозаСиденье, крылья, капотТопливный бакГидробакМасляный насосНавесной механизмГидрораспределительМеханизм привода масляного насосаЭлектрооборудованиеПринадлежности

Соединительная муфта

Дополнительная коробка передач

Дополнительная коробка передач (старого образца)

Дополнительная коробка передач (нового образца)

Коробка передач

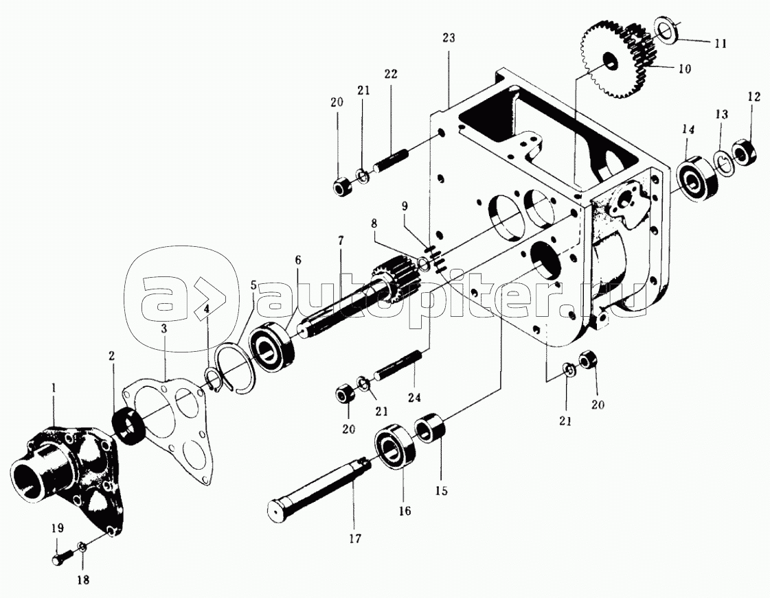
Первичный вал, ведущая коническая шестерня, вал заднего хода

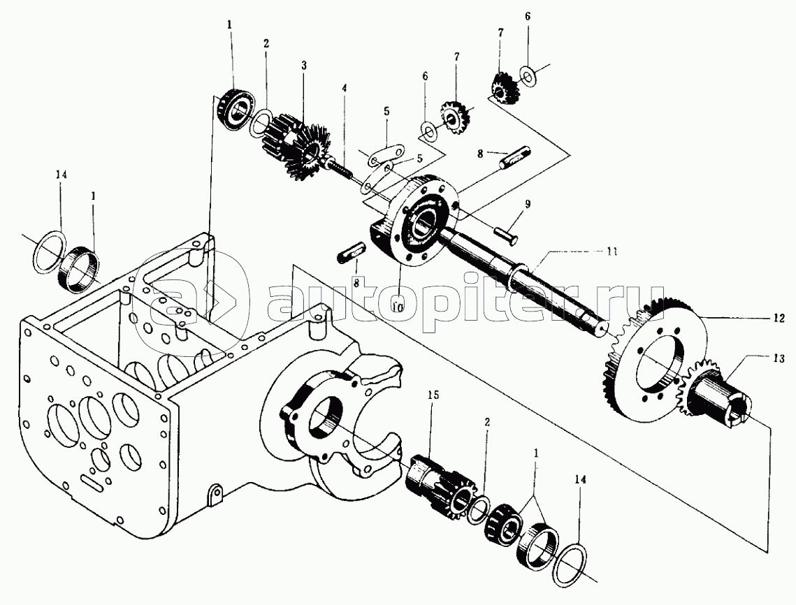
Корпус дифференциала с валом центральной передачи в сборе (16.37.306/148)

Стандартный вал отбора мощности в сборе

Крышка коробки передач в сборе (старого образца)

Крышка коробки передач в сборе (нового образца)