To content
Помощь по сайту
Новости
zapros.kg@autopiter.com
Контакты
Страна: Кыргызстан
Выберите язык
Ru — Русский
En — English
De — Deutsch
Pl — Polski
Все категории
Каталоги запчастей
Бишкек
Вход
Корзина
Все категории
Каталоги запчастей
Фильтры Hebel Kraft
Оригинальные каталоги по VIN
Неоригинальные запчасти
Запчасти ВАЗ, ГАЗ, КАМАЗ
Запчасти для ТО
Для спецтехники
Запчасти на ВАЗ, ГАЗ, Камаз и т.д.
Минитракторы
Уралец
Уралец
uralec
Поиск деталей
Например:
Механизм управления двигателем (120/160)
Двигатель
Сцепление
Ось передняя
Колеса
Коробка передач
Рулевой механизм
Полуось задняя
Тормоза
Сиденье, крылья, капот
Топливный бак
Гидробак
Масляный насос
Навесной механизм
Гидрораспределитель
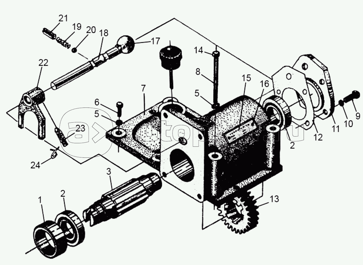
Механизм привода масляного насоса
Электрооборудование
Принадлежности
Механизм привода масляного насоса (старого образца)
Механизм привода масляного насоса (нового образца)
Заказы на сайте принимаются и обрабатываются круглосуточно
Бесплатно доставляем заказы «до двери» оптовым клиентам 5‑6 раз в неделю нашей собственной курьерской службой
Для тех, кто забирает заказы самостоятельно мы стараемся удобно располагать наши пункты самовывоза
Оплатить все товары можно
Или выбрать другой удобный для вас способ