Дон (общий каталог)don-obshhij-katalog
Поиск деталей
Например: Кабина (1500Б, 1200Б)

Камера наклонная (1500Б, 1200Б)

Камера наклонная (1500А, 1200)

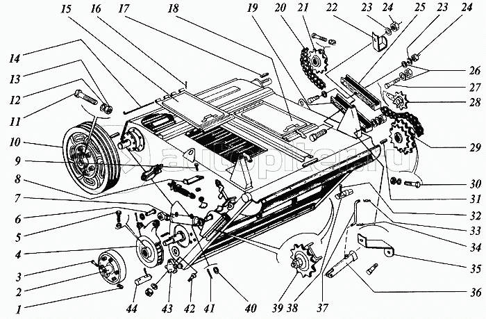
Камера наклонная

Вал верхний наклонной камеры (1500Б, 1500А, 1200Б, 1200)

Вал верхний наклонной камеры (1500А, 1200)

Вал нижний транспортера наклонной камеры (1500Б, 1200Б)

Вал нижний транспортера наклонной камеры (1500А, 1200)

Транспортер наклонной камеры

Устройство предохранительное, механизм реверса, вал трансмиссионный

Звездочка натяжная контрприводного вала