Дон (общий каталог)don-obshhij-katalog
Поиск деталей
Например: Кабина (1500Б, 1200Б)
Электрооборудование

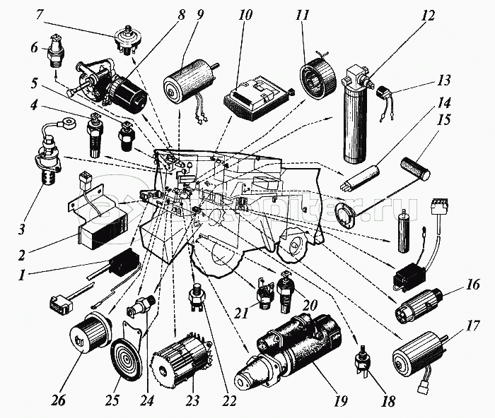
Электрооборудование комбайна (1500Б, 1200Б)

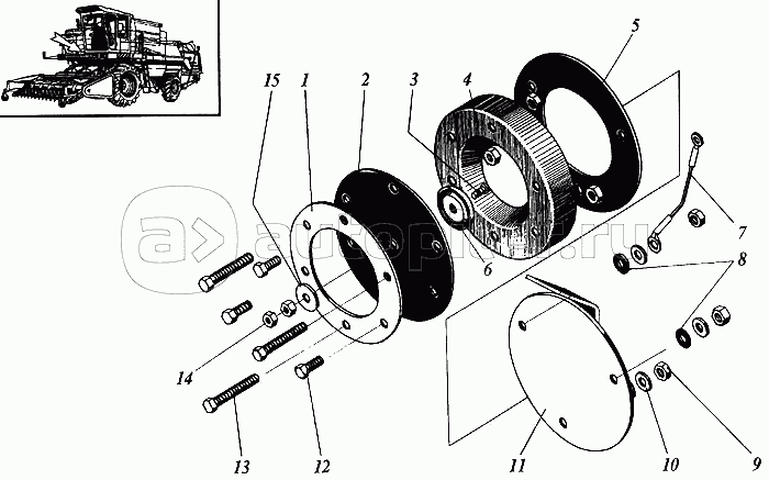
Сигнализатор (1500Б, 1200Б)

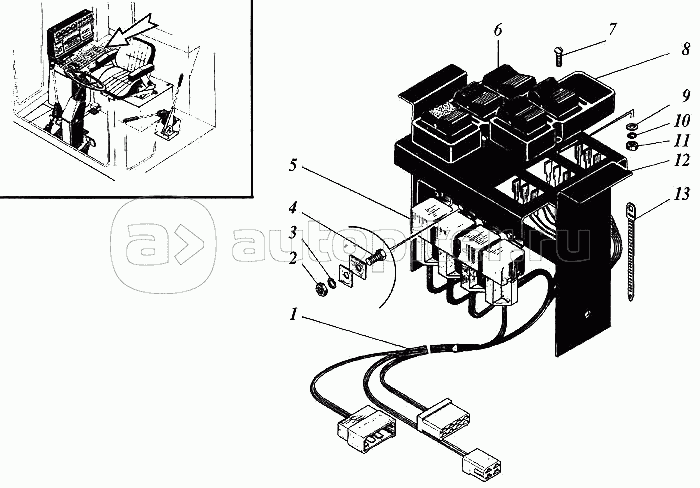
Электрооборудование кабины (1500Б, 1200Б)

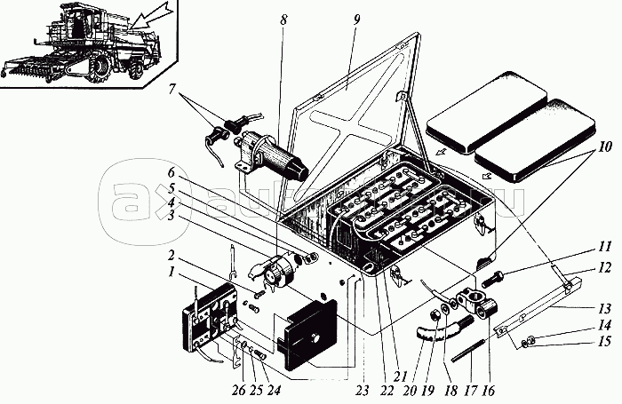
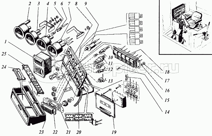
Щиток приборов (1500Б, 1200Б)

Панели (1500Б, 1200Б)

Пульт электрогидравлики (1500Б, 1200Б)

Электрооборудование рулевой колонки (1500Б, 1200Б)

Фара мигалка (1500Б, 1200Б)

Ящик аккумуляторный (1500Б, 1200Б)

Фара (1500Б, 1200Б)

Фонари (1500Б, 1200Б)

Провода электрические и жгуты (1500Б, 1200Б)

Провода электрические и жгуты (1500Б, 1200Б)

Провода электрические и жгуты (1500Б, 1200Б)

Провода электрические и жгуты (1500Б, 1200Б)

Провода электрические и жгуты (1500Б, 1200Б)

Провода электрические и жгуты (1500Б, 1200Б)

Провода электрические и жгуты (1500Б, 1200Б)

Провода электрические и жгуты (1500Б, 1200Б)

Провода электрические и жгуты (1500Б, 1200Б)

Провода электрические и жгуты (1500Б, 1200Б)

Провода электрические и жгуты (1500Б, 1200Б)

Щиток приборов (1500А)

Провода электрические и жгуты (1500А)

Провода электрические и жгуты (1500А)

Провода электрические и жгуты (1500А)

Провода электрические и жгуты (1500А)