РСМ 2375rsm-2375
Поиск деталей
Например: Трактор РСМ 2375 (2375.00.000)
Трактор РСМ 2375Установка двигателя QSM-11Структура - Рама/Кабина/Крылья/ОбшивкаЭлектрооборудование и компонентыРулевое управлениеГидросистемаГидросистема 2Гидросистема 3Гидросистема 4Гидросистема 5Гидросистема 6Гидросистема 7Тормозная системаПриводыКабина/Наклейки и внутренняя отделкаПриспособления и аксессуарыПриспособления и аксессуары 2Приспособления и аксессуары 3

Приводы (2375.07.000)

Комплект редуктора для ВОМ, механическая трансмиссия (2375.07.009)

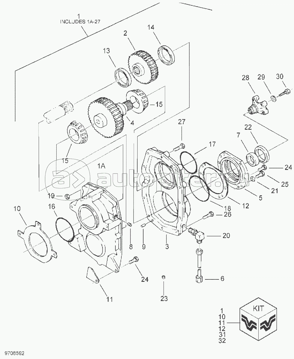
Редуктор для ВОМ, механическая трансмиссия (2375.07.006)

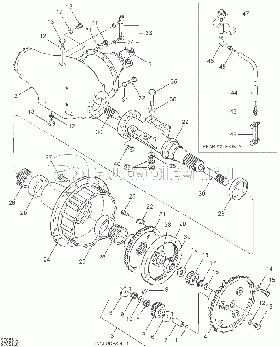
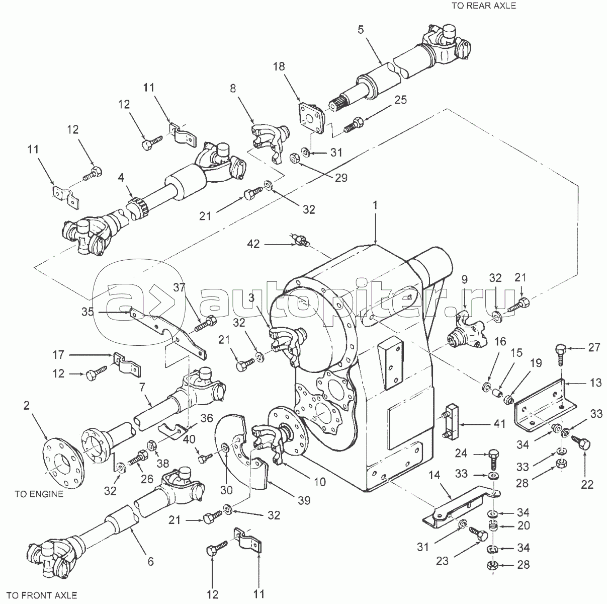
Мост в сборе и его установка (2375.07.001)

Привод ВОМ, механическая трансмиссия (2375.07.004)

Карданный вал В СБОРЕ, 1550 серии (красный) (86027864)

Карданный вал В СБОРЕ, установка длина-1108мм, 1550 серии красный (86027865)

Муфта ВОМ (2375.07.007)

Редуктора ВОМ в сборе (2375.07.008)

Переключатели передач механической трансмиссии (2375.07.010)

Педаль сцепления и сопутствующие изделия, механическая трансмиссия (2375.07.011)

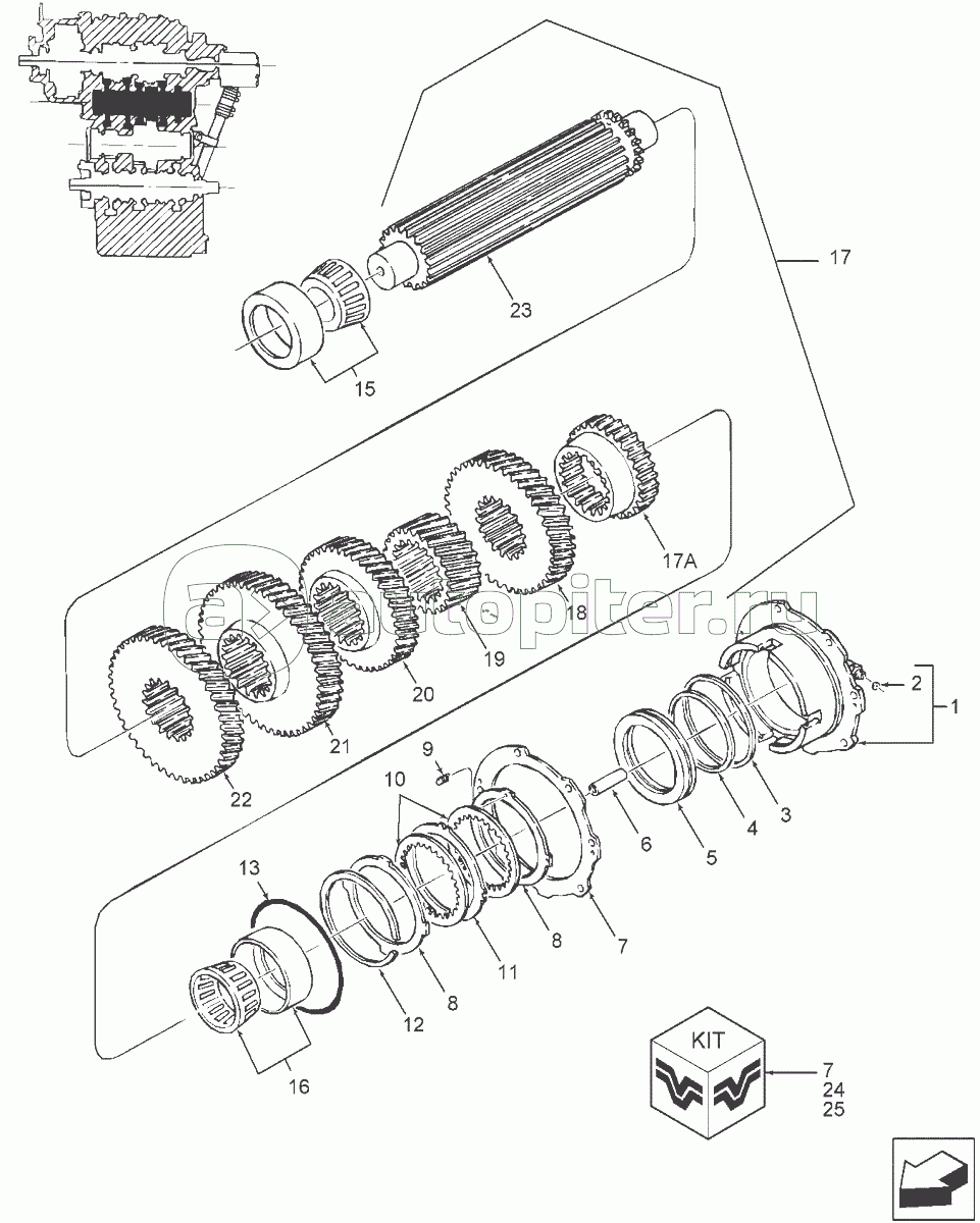
Механическая трансмиссия 12-ти скоростная (2375.07.012)

Выходной вал трансмиссии (2375.07.013)

Первичный вал трансмиссии (2375.07.014)

Первый промежуточный вал (2375.07.015)

Второй промежуточный вал (2375.07.016)

Система смазки трансмиссии (2375.07.017)

Главная муфта сцепления (2375.07.018)

Система всасывания механической трансмиссии (2375.07.019)

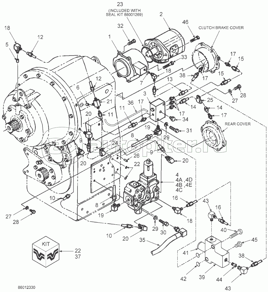
Шестеренный насос в сборе (2375.07.020)

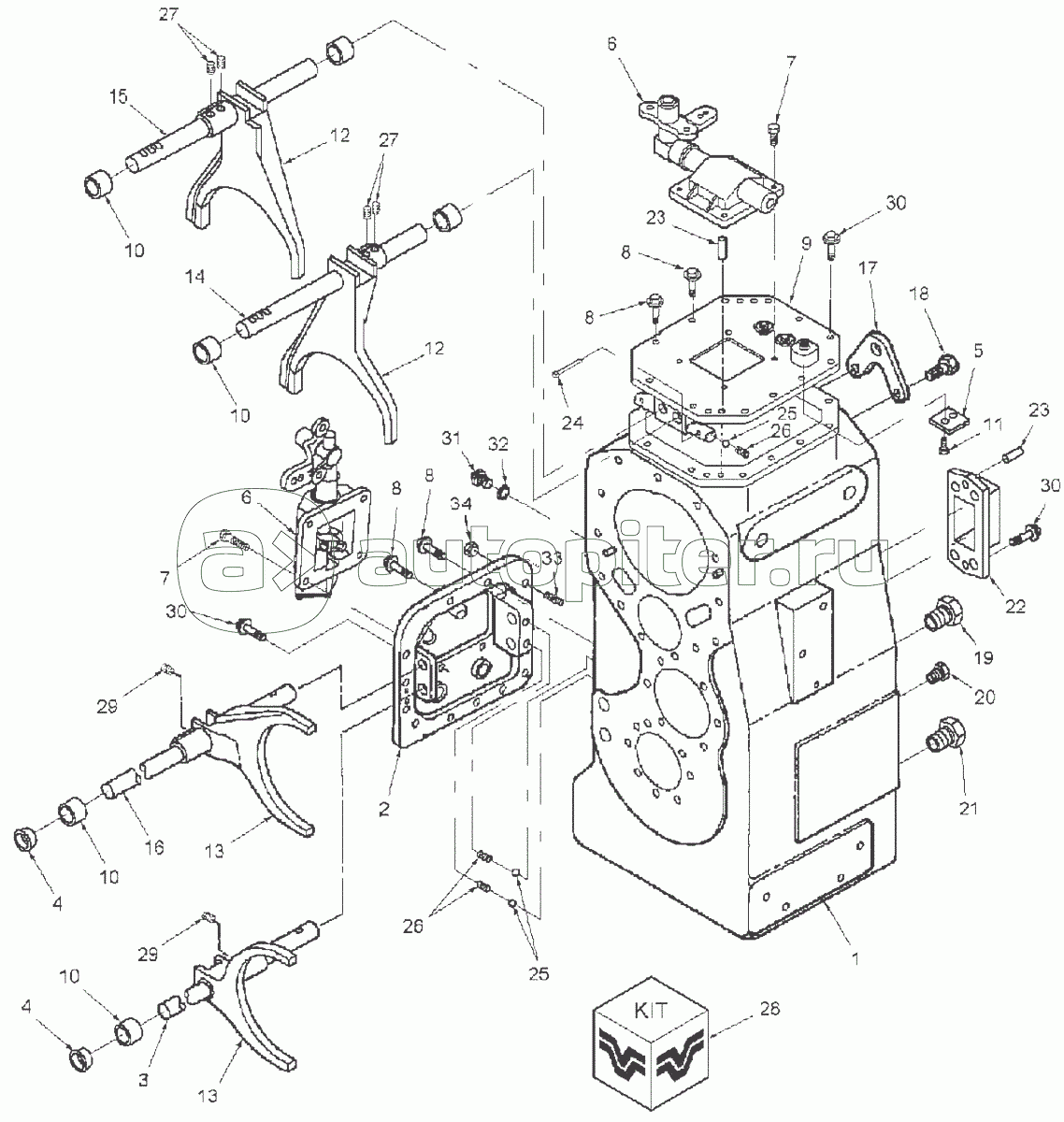
Механизм выбора передачи в сборе (2375.07.021)

Механизм выбора передачи в сборе (2375.07.022)

Дифференциал без блокировки (2375.07.003)

Блокируемый дифференциал (2375.07.002)

Приводы механической трансмиссии (2375.07.005)

Карданный вал В СБОРЕ, 1610 серии (красный) (86027862)

Карданный вал В СБОРЕ - 1610 серии, BVI красный (86028084)

Карданный вал В СБОРЕ, 1610 серии, красный (86027858)

Карданный вал В СБОРЕ, 1610 серии 535M (86029957)