РСМ 2375rsm-2375
Поиск деталей
Например: Трактор РСМ 2375 (2375.00.000)
Трактор РСМ 2375Установка двигателя QSM-11Структура - Рама/Кабина/Крылья/ОбшивкаЭлектрооборудование и компонентыРулевое управлениеГидросистемаГидросистема 2Гидросистема 3Гидросистема 4Гидросистема 5Гидросистема 6Гидросистема 7Тормозная системаПриводыКабина/Наклейки и внутренняя отделкаПриспособления и аксессуарыПриспособления и аксессуары 2Приспособления и аксессуары 3

Кабина/Наклейки и внутренняя отделка (2375.09.000)

Сиденье оператора стандартное (2375.09.016)

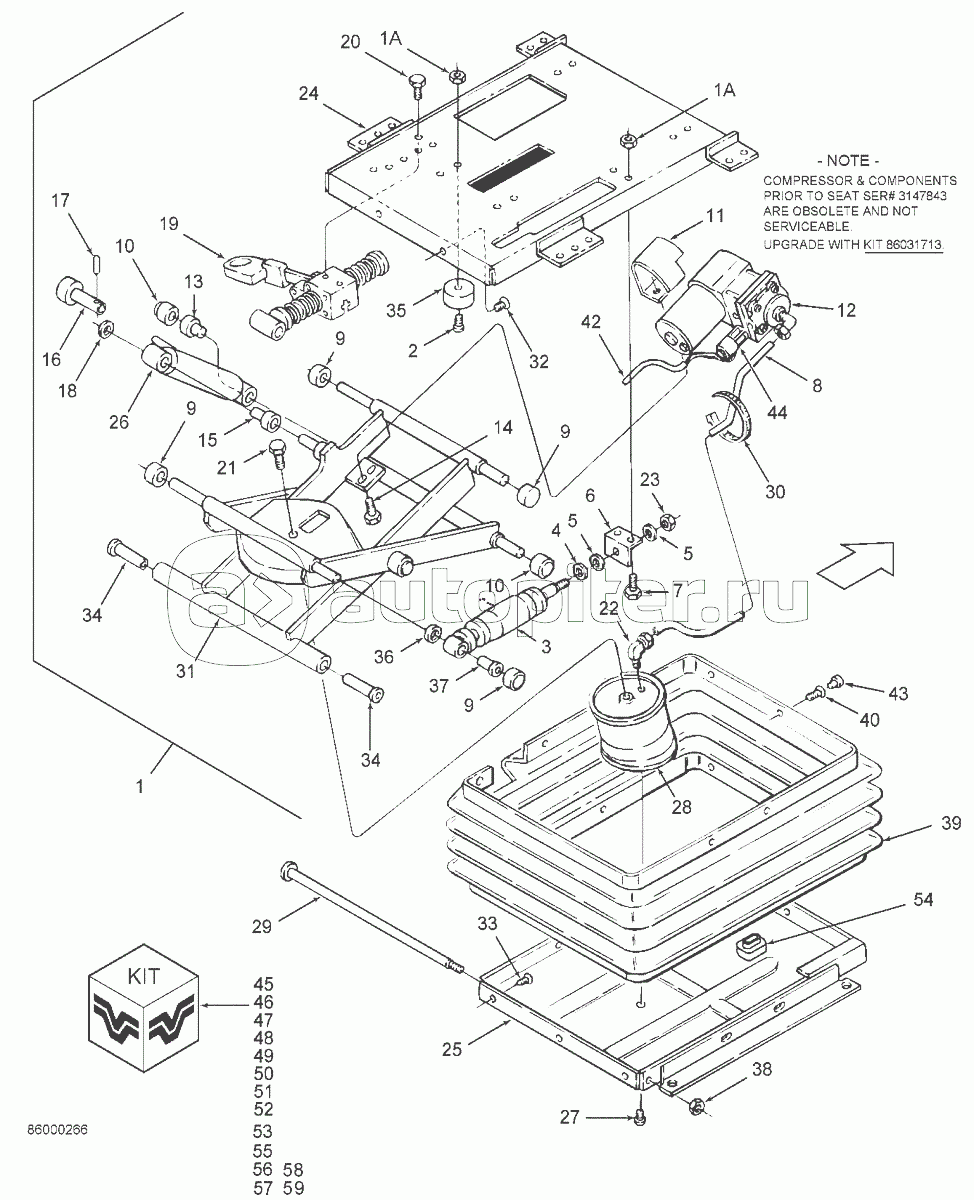
Подвеска сиденья стандартного (2375.09.017)

Установка сиденья (2375.09.001)

Сиденье в сборе (2375.09.002)

Подвеска сиденья (2375.09.003)

Зеркала наружные (2375.09.005)

Кабина с боре (2375.09.006)

Интерьер кабины в сборе (2375.09.007)

Заглушка (82008353)

Шайба (DIN 9021-6,4-100 HV-ZINC PLATED)

Болт (DIN 933-M8Х20-8.8-ZINC PLATED)

Стеклоочистители и сопутствующие изделия (2375.09.008)

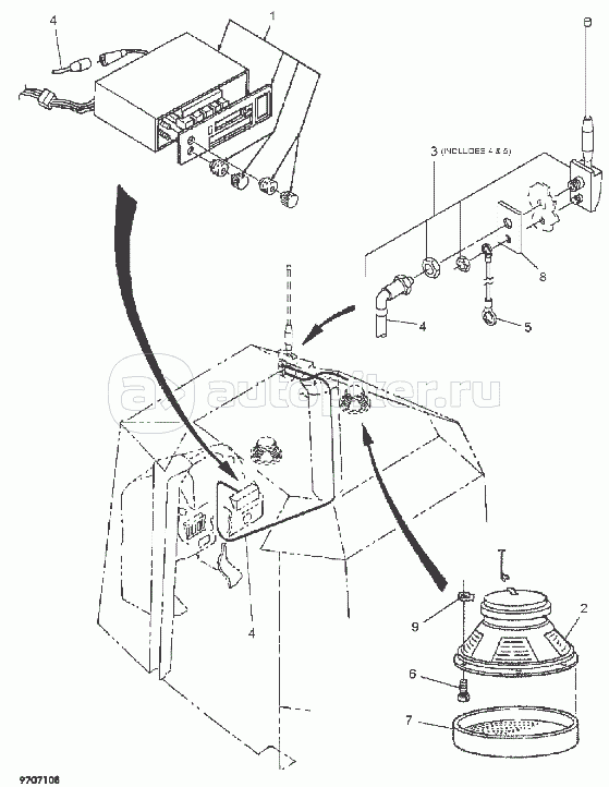
Радио и громкоговорители (2375.09.009)

Отопитель и испаритель в сборе (2375.09.010)

Компрессор в сборе (2375.09.011)

Крыша кабины и сопутстсвующие изделия (2375.09.013)

Наклейки экстерьера и безопасности (2375.09.014)

Подвеска сиденья (2375.09.004)

Отопитель и испаритель и сопутствующие изделия (2375.09.012)

Наклейки и идентификационные таблички, начиная с 01.04.08г. (2375.09.015)

Климатическая система ТУ 29.32.30-013-75166250-2018 (Август 23БС-RSM-2375)

РЕСИВЕР С Д/ДАВЛ ТУ4591-012 (04-003900-02)

Крыша кабины (2375.67.03.000)

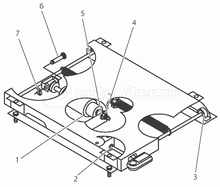
Потолок (2375.67.03.020)