To content
Помощь по сайту
Новости
zapros.kg@autopiter.com
Контакты
Все категории
Каталоги запчастей
Бишкек
Вход
Корзина
Все категории
Каталоги запчастей
Фильтры Hebel Kraft
Оригинальные каталоги по VIN
Неоригинальные запчасти
Запчасти ВАЗ, ГАЗ, КАМАЗ
Запчасти для ТО
Для спецтехники
Запчасти на ВАЗ, ГАЗ, Камаз и т.д.
ТеКЗ
БМ-6А
БМ-6А
bm-6a
Поиск деталей
Например:
Диск делительный
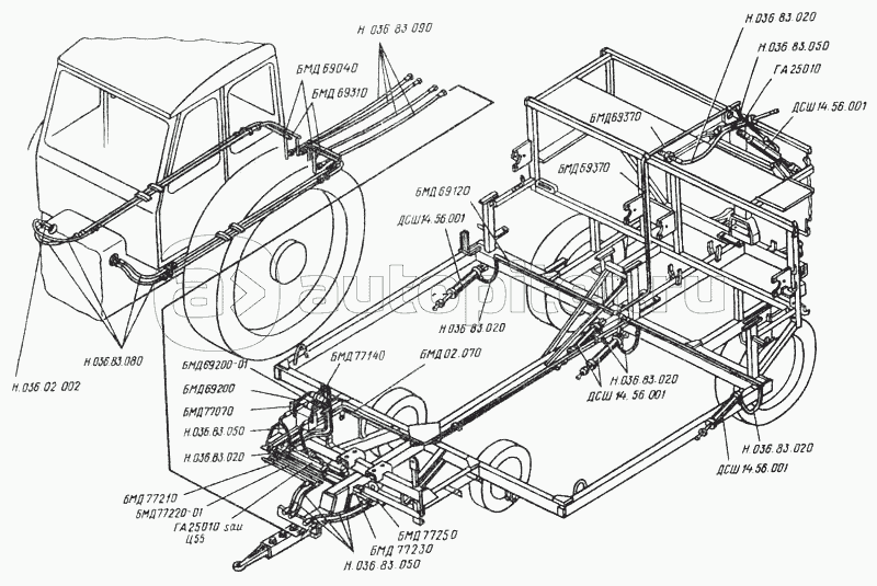
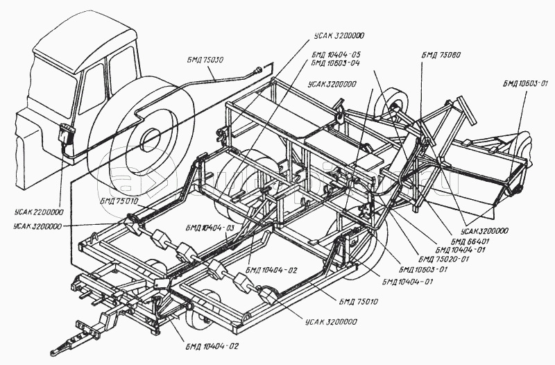
Ботвоуборочная машина
Ботвоуборочная машина
Гидросистема
Трансмиссия
Трансмиссия
Ходовая часть
Рама
Колеса
Принадлежности
Инструмент и принадлежности
Система контроля
Система контроля
Гидроуправление
Муфта разрывная
Клапан перепускной. Маслопровод
Клапан "ИЛИ"
Заказы на сайте принимаются и обрабатываются круглосуточно
Бесплатно доставляем заказы «до двери» оптовым клиентам 5‑6 раз в неделю нашей собственной курьерской службой
Для тех, кто забирает заказы самостоятельно мы стараемся удобно располагать наши пункты самовывоза
Оплатить все товары можно
Или выбрать другой удобный для вас способ