БМ-6Аbm-6a
Поиск деталей
Например: Диск делительный
Трансмиссия

Передача карданная

Трансмиссия

Вал нижний

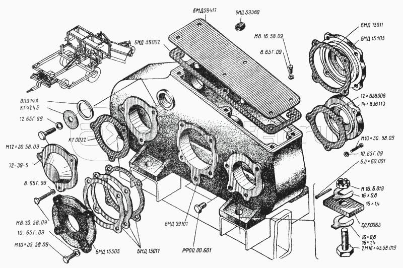
Редуктор центральный

Редуктор центральный. Валы и шестерни

Вал приводной

Вал в сборе

Шарнир с трубой

Редуктор унифицированный

Редуктор унифицированный

Редуктор унифицированный

Редуктор унифицированный

Редуктор. Валы и шестерни

Редуктор

Редуктор. Валы и шестерни

Редуктор

Вал ведущий

Передача карданная очистителя головок корней