To content
Помощь по сайту
Новости
zapros.kg@autopiter.com
Контакты
Все категории
Каталоги запчастей
Бишкек
Вход
Корзина
Все категории
Каталоги запчастей
Фильтры Hebel Kraft
Оригинальные каталоги по VIN
Неоригинальные запчасти
Запчасти ВАЗ, ГАЗ, КАМАЗ
Запчасти для ТО
Для спецтехники
Запчасти на ВАЗ, ГАЗ, Камаз и т.д.
Versatile
Versatile серии HHT
Versatile серии HHT
versatile-serii-hht
Поиск деталей
Например:
5AXL01 Ось и планетарная ступица Okubo
Тракторa Buhler Versatile HHT 4WD серия (435, 485, 535 л.с.)
Агрегаты и системы трансмиссии
Структура – Рама, кабина
Механизмы управления
Рулевое управление
Тормозная система
Окружающие системы
Кабина
Силовая установка
Двигатель
Гидравлическая система
Гидрооборудование
Электрооборудование
Электрооборудование
Дополнение
Приспособления и комплектующие детали
7BRK01 Тормозной диск в сборе
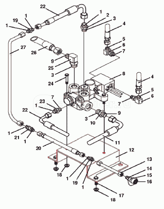
7TBV01 Клапан и соединительные трубки тормозной системы прицепа
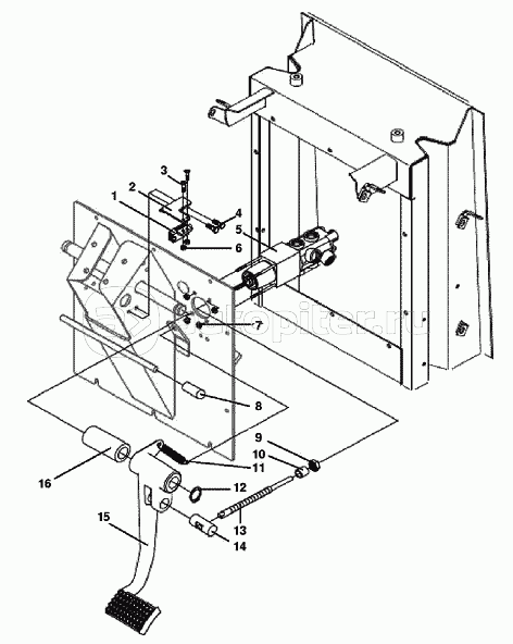
7BRK04 Педаль тормоза с тягой клапана в сборе
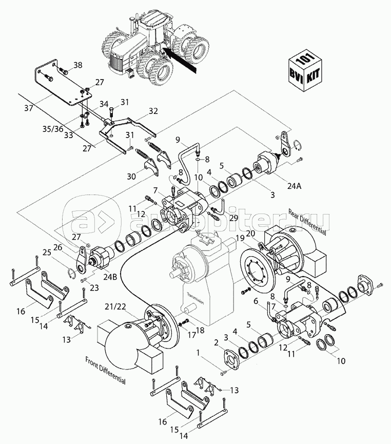
7BRK03 Тормозной клапан с суппортом и аккумулятором в сборе
7BRK02 Обслуживание тормозного клапана (Dual-S6)
Заказы на сайте принимаются и обрабатываются круглосуточно
Бесплатно доставляем заказы «до двери» оптовым клиентам 5‑6 раз в неделю нашей собственной курьерской службой
Для тех, кто забирает заказы самостоятельно мы стараемся удобно располагать наши пункты самовывоза
Оплатить все товары можно
Или выбрать другой удобный для вас способ