Versatile серии HHTversatile-serii-hht
Поиск деталей
Например: 5AXL01 Ось и планетарная ступица Okubo
Кабина

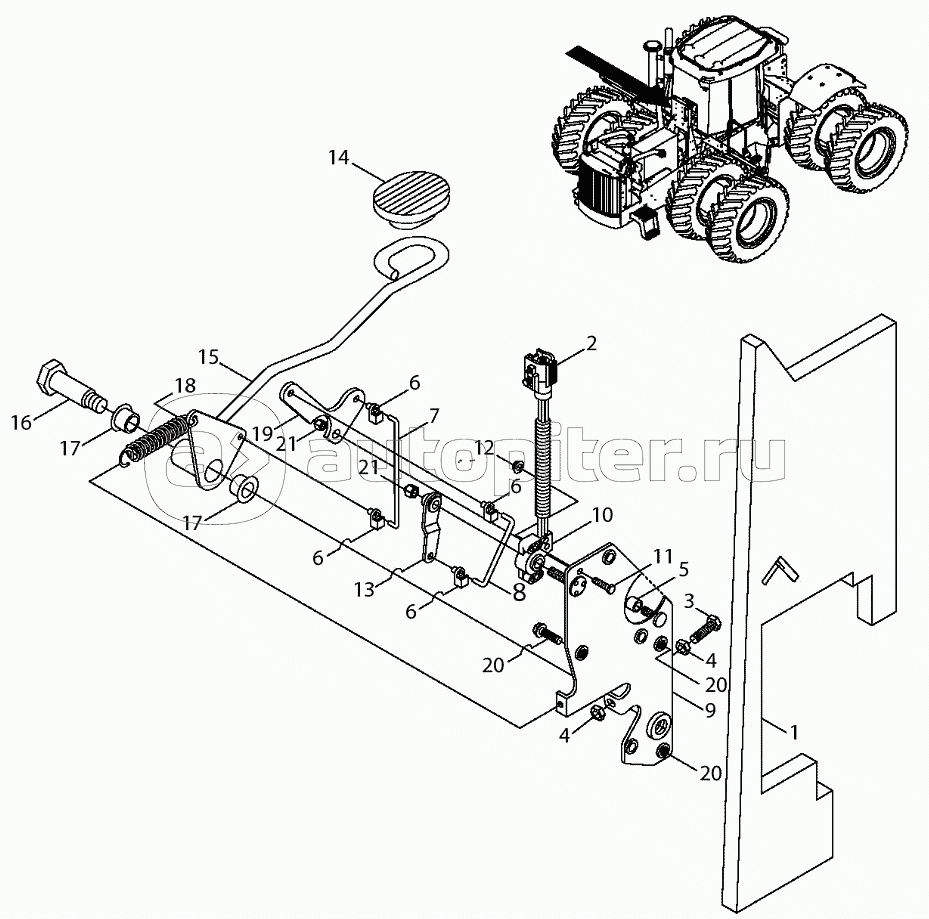
8ACL01 Педаль акселератора с тягой в сборе

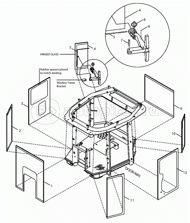
8CAB01 Кабина в сборе с окнами и дверью

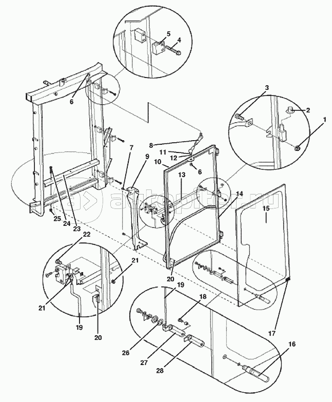
8CAB02 Дверь кабины в сборе

8DCL01 HHP Информационные таблички

8DCL02 HHP Идентификационные бирки

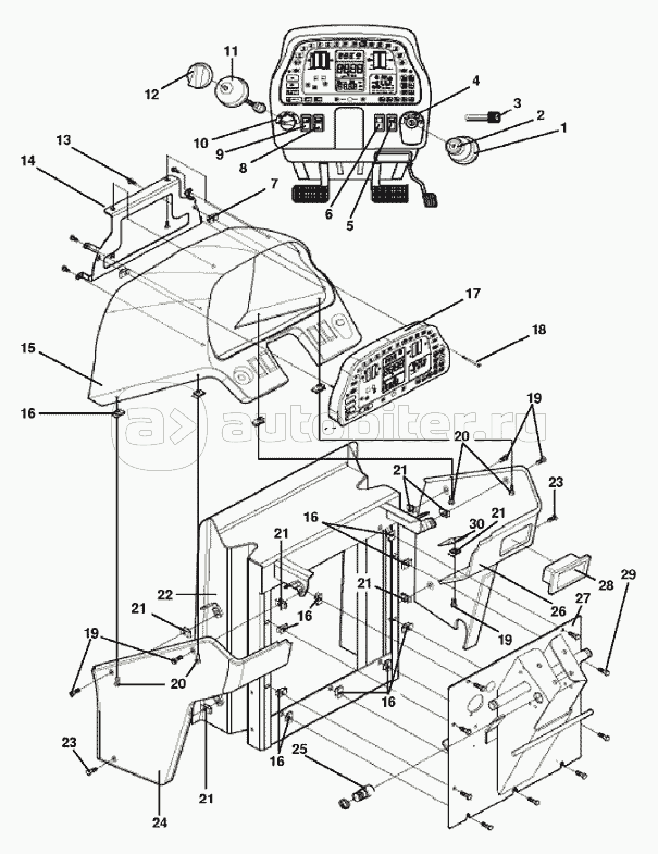
8FCP01 Передняя панель и рулевая колонка

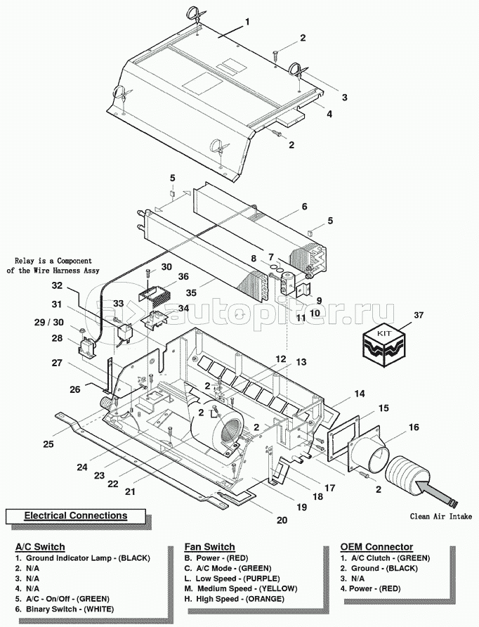
8HAC01 Агрегат подогрева и кондиционирования воздуха

8HAC01a Система автоматического контроля воздуха

8HAC02 Система подогрева и кондиционирования воздуха

8INT01 Герметизация и звукоизоляция кабины

8INT02 Установка деталей внутренней части кабины

8INT03 Электрические приборы задний нижней внутренней части кабины

8OPC01 Приборы контроля на главной панели

8OPC02 Приборы контроля в верхней части кабины

8OPC03 Пульт правой стороны

8OPC03a Справочник пульта гидравлики

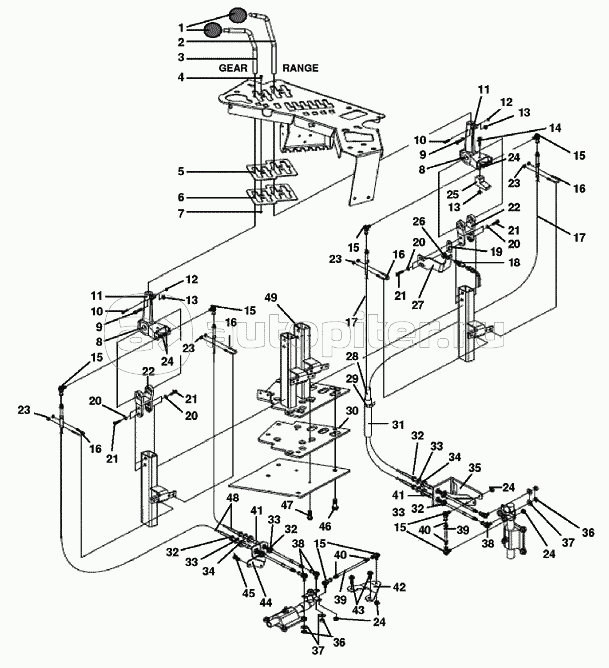
8OPC03b Панель рычажного механизма переключения

8OPC03c Пульт контроля расхода

8OPC04 Пульт гидравлики

8RHA01 Крыша кабины и система микроклимата в сборе

8RHL01 Оборудование крыши кабины и системы контроля в сборе

8RSA01 Крыша кабины и звуковая система в сборе

8STA01 Сиденье в сборе, базового и опционального

8STB01 Сиденье оператора в сборе

8STT01 Сиденье помощника в сборе

8STB02 Основание сидения с амортизатором в сборе

8STD02a Амортизатор сидения

8STD02b Рама подъемного механизма улучшенного сидения

8WPR01 Привод стеклоочистителя в сборе, передний/задний