To content
Помощь по сайту
Новости
zapros.kg@autopiter.com
Контакты
Все категории
Каталоги запчастей
Бишкек
Вход
Корзина
Все категории
Каталоги запчастей
Фильтры Hebel Kraft
Оригинальные каталоги по VIN
Неоригинальные запчасти
Запчасти ВАЗ, ГАЗ, КАМАЗ
Запчасти для ТО
Запчасти на ВАЗ, ГАЗ, Камаз и т.д.
CASE IH
695ST (часть 1)
695ST (часть 1)
695st-chast-1
Поиск деталей
Например:
05.100.01 INITIAL STOCKING LIST (LIST A)
INITIAL STOCKING LIST
ENGINE
AIR CLEANER
FUEL SYSTEM
EXHAUST SYSTEM
OIL SYSTEM
ENGINE COOLING SYSTEM
HEAT EXCHANGER
FAN
TORQUE CONVERTER
TRANSMISSION
AXLES
BRAKE
HYDRAULIC SYSTEM
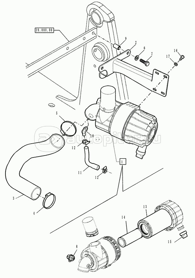
10.202.01 AIR CLEANER LINES
10.202.0201 STANDARD AIR INTAKE AIR INTAKE (VAR.742175)
10.202.0203 CENTRIFUGAL PRECLEANER AIR PRECLEANER (VAR.742176)
Заказы на сайте принимаются и обрабатываются круглосуточно
Бесплатно доставляем заказы «до двери» оптовым клиентам 5‑6 раз в неделю нашей собственной курьерской службой
Для тех, кто забирает заказы самостоятельно мы стараемся удобно располагать наши пункты самовывоза
Оплатить все товары можно
Или выбрать другой удобный для вас способ