695ST (часть 1)695st-chast-1
Поиск деталей
INITIAL STOCKING LISTENGINEAIR CLEANERFUEL SYSTEMEXHAUST SYSTEMOIL SYSTEMENGINE COOLING SYSTEMHEAT EXCHANGERFANTORQUE CONVERTERTRANSMISSIONAXLESBRAKEHYDRAULIC SYSTEM

10.402.01(01) PIPING ENGINE COOLING SYSTEM (285625728558242855775)

10.402.01(02) THERMOSTAT ENGINE COOLING SYSTEM (285449028580732855822)

10.402.02 WATER PUMP (2852293)

10.402.03 WATER PUMP CONTROL (2855948)

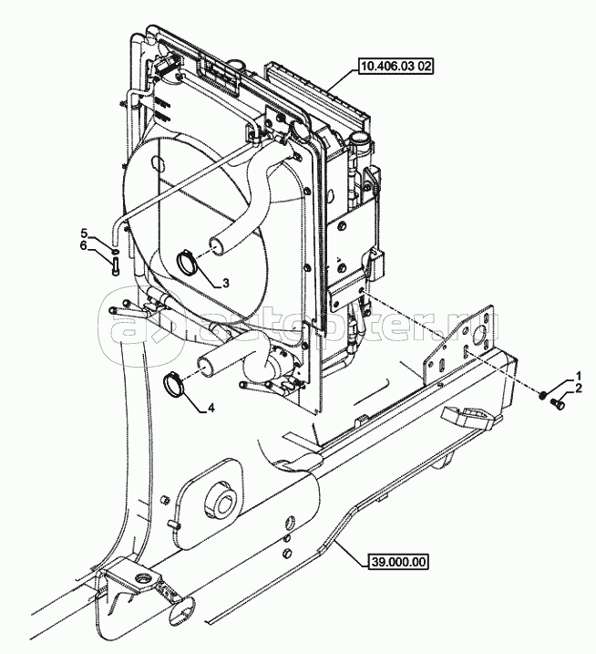
10.406.03(01) VAR 742014 COOLANT RADIATOR, HYDRAULIC FLUID CAB C7325

10.406.03(01A) VAR 742014 RADIATOR COOLANT TUBES CAB 4WS D7325

10.406.03(02) VAR 742014 COOLANT RADIATOR, HYDRAULIC FLUID CAB C7325

10.406.03(02A) VAR 742014 FUEL COOLER CAB 4WS D7325

10.406.03(03) VAR 742014 COOLANT RADIATOR, HYDRAULIC FLUID CAB C7325

10.406.03(03A) VAR 742014 AFTERCOOLER CAB 4WS D7325

10.406.03(04) VAR 742014 - COOLANT RADIATOR, HYDRAULIC FLUID CAB C7325

10.406.03(04A) VAR 742014 ENGINE OIL, COOLER CAB 4WS D7325

10.406.03(05) VAR 742014 - COOLANT RADIATOR, HYDRAULIC FLUID CAB C7325

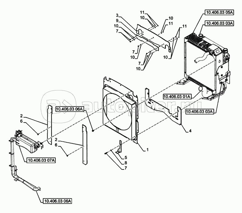
10.406.03(05A) VAR 742014 RADIATOR CAB 4WS D7325

10.406.03(06A) VAR 742014 EXPANSION TANK, HOSE CAB 4WS D7325

10.406.03(07A) VAR 742014 RADIATOR, EXPANSION TANK CAB 4WS D7325

10.406.03(08A) VAR 742014 RADIATOR, FRAME, SUPPORT CAB 4WS D7325

10.406.03(09A) VAR 742014 EXPANSION TANK, HOSE CAB 4WS D7325
![10.406.03[10A] VAR 742014 AIR CONDITIONING, CONDENSER CAB 4WS D7325](/static2/w2000/img/ruscat3/case/695st-1/67.gif)
10.406.03[10A] VAR 742014 AIR CONDITIONING, CONDENSER CAB 4WS D7325

10.406.04(01) VAR 742013 COOLANT RADIATOR, HYDRAULIC FLUID CAB C7325

10.406.04(01A) VAR 742013 RADIATOR COOLANT TUBES CAB 4WS D7325

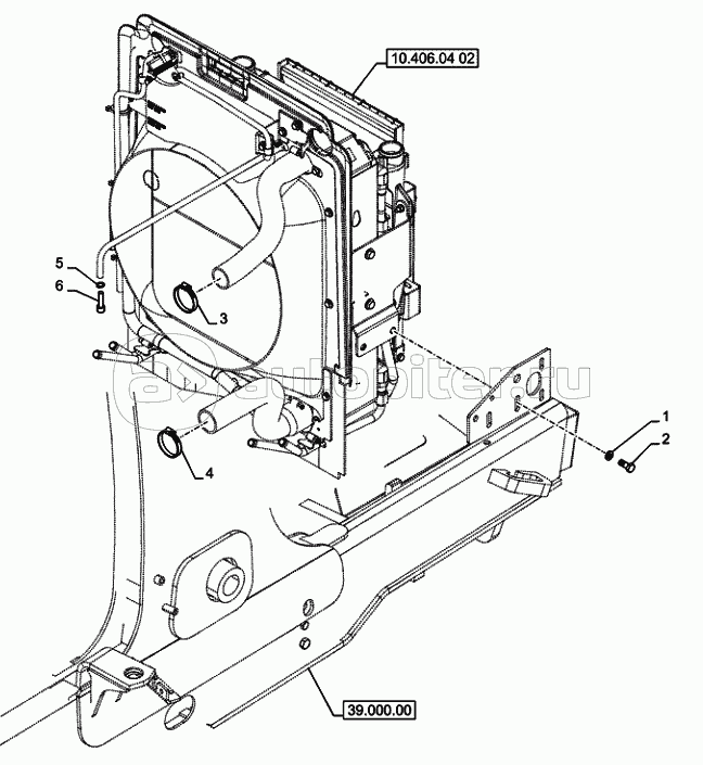
10.406.04(02) VAR 742013 COOLANT RADIATOR, HYDRAULIC FLUID CAB C7325

10.406.04(02A) VAR 742013 FUEL COOLER CAB 4WS D7325

10.406.04(03) VAR 742013 COOLANT RADIATOR, HYDRAULIC FLUID CAB C7325

10.406.04(03A) VAR 742013 AFTERCOOLER CAB 4WS D7325

10.406.04(04) VAR 742013 - COOLANT RADIATOR, HYDRAULIC FLUID CAB C7325

10.406.04(04A) VAR 742013 ENGINE OIL, COOLER CAB 4WS D7325

10.406.04(05) VAR 742013 - COOLANT RADIATOR, HYDRAULIC FLUID CAB C7325

10.406.04(05A) VAR 742013 RADIATOR CAB 4WS D7325

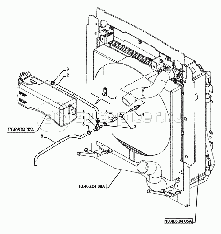
10.406.04(06A) VAR 742013 EXPANSION TANK, HOSE CAB 4WS D7325

10.406.04(07A) VAR 742013 RADIATOR, EXPANSION TANK CAB 4WS D7325

10.406.04(08A) VAR 742013 RADIATOR, FRAME, SUPPORT CAB 4WS D7325

10.406.04(09A) VAR 742013 EXPANSION TANK, HOSE CAB 4WS D7325