695ST (часть 1)695st-chast-1
Поиск деталей
INITIAL STOCKING LISTENGINEAIR CLEANERFUEL SYSTEMEXHAUST SYSTEMOIL SYSTEMENGINE COOLING SYSTEMHEAT EXCHANGERFANTORQUE CONVERTERTRANSMISSIONAXLESBRAKEHYDRAULIC SYSTEM

10.206.01 FUEL FILTER (2855791)

10.206.02 OIL FILTERS ENGINE (2852525)

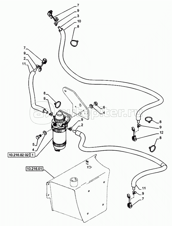
10.210.0101 FUEL PIPES

10.216.0101 FUEL TANK 4WS

10.216.02(01) FUEL TANK

10.216.02(02) FUEL WATER SEPARATOR FILTER

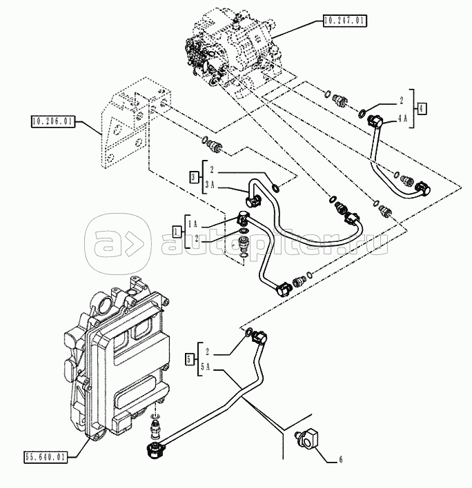
10.218.01 PIPING FUEL (28554262855794)

10.218.02 INJECTION EQUIPMENT INJECTOR (2855490)

10.218.03 INJECTION EQUIPMENT PIPING (2857016)

10.218.05 INJECTION EQUIPMENT PIPING (2859496)

10.220.02 ELECTRONIC THROTTLE PEDAL AND KNOB

10.247.01 INJECTION PUMP (2852487)

10.247.0101 INJECTION PUMP COMPONENTS (84385110)

10.250.01 TURBOCHARGER (28559462852070)

10.254.01 INTAKE MANIFOLD (28558042855808)

10.254.0101(01) EXHAUST MUFFLER

10.254.0101(02) EXHAUST TUBE