Т-151К-08t-151k-08
Поиск деталей
Например: Трактор Т-151К-08

Установка генератора

Установка электроимпульсного подогревателя

Установка привода тахоспидометра. Установка стартера

Аккумулятор (дизель СМД-62А)

Преобразователь напряжения (дизель СМД-62А)

Фары и фонари

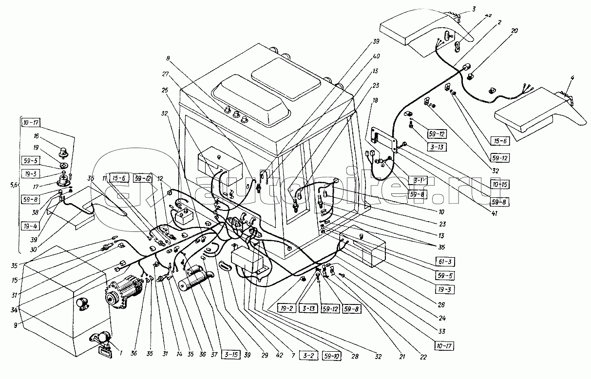
Электрооборудование и приборы (дизель СМД-62А)

Электрооборудование и приборы (дизель СМД-63А)

Электрооборудование кабины

Жгуты

Жгут (дизель СМД-62А)

Жгут (дизель СМД-63А)

Жгут

Накладка

Контакторы

Панель плафона