To content
Помощь по сайту
Новости
zapros.kg@autopiter.com
Контакты
Все категории
Каталоги запчастей
Бишкек
Вход
Корзина
Все категории
Каталоги запчастей
Фильтры Hebel Kraft
Оригинальные каталоги по VIN
Неоригинальные запчасти
Запчасти ВАЗ, ГАЗ, КАМАЗ
Запчасти для ТО
Для спецтехники
Запчасти на ВАЗ, ГАЗ, Камаз и т.д.
ХТЗ
Т-151К-08
Т-151К-08
t-151k-08
Поиск деталей
Например:
Трактор Т-151К-08
Кузов
Кабина
Внутренняя часть кабины
Двери и окна
Элементы облицовочные
Вентиляция и отопление
Двигатель
Двигатель
Система питания
Система выпуска отработавших газов
Система охлаждения
Трансмиссия
Сцепление
Коробка передач
Коробка раздаточная
Передача карданная
Мосты
Ходовая часть
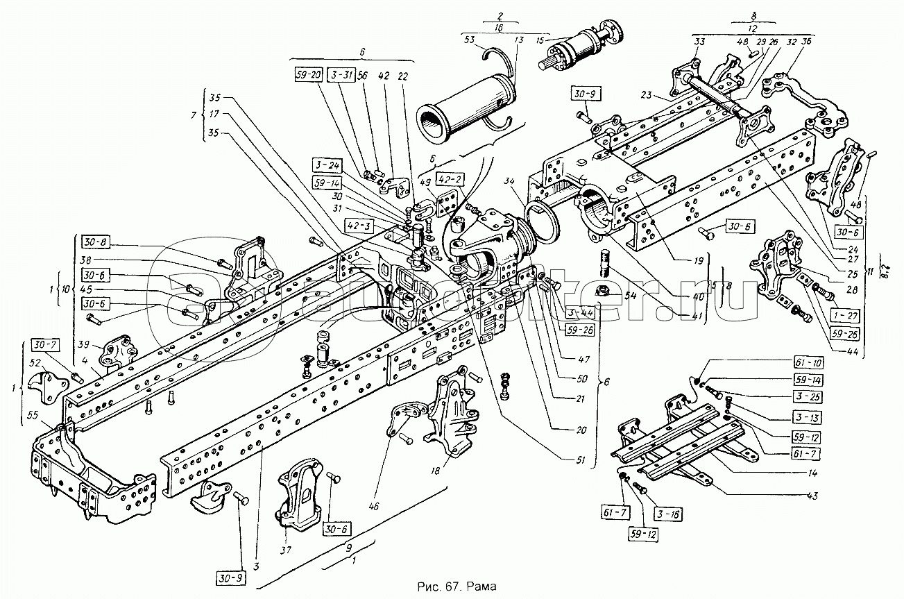
Рама
Подвеска
Колеса
Механизмы управления
Управление рулевое
Гидросистема
Тормоза
Пневмосистема
Пневмосистема
Электрооборудование
Электрооборудование
Приборы и датчики
Дополнительное оборудование
Привод оборудования
Рабочее оборудование
Подогреватель
Система запуска
Приложения
Общий вид
Таблицы нормалей
Подшипники
Рама
Заказы на сайте принимаются и обрабатываются круглосуточно
Бесплатно доставляем заказы «до двери» оптовым клиентам 5‑6 раз в неделю нашей собственной курьерской службой
Для тех, кто забирает заказы самостоятельно мы стараемся удобно располагать наши пункты самовывоза
Оплатить все товары можно
Или выбрать другой удобный для вас способ