Т-151К-08t-151k-08
Поиск деталей
Например: Трактор Т-151К-08

Устройство прицепное

Устройство тягово-сцепное

Устройство навесное

Устройство навесное

Гидросистема навесного устройства

Гидросистема навесного устройства. Цилиндр основной

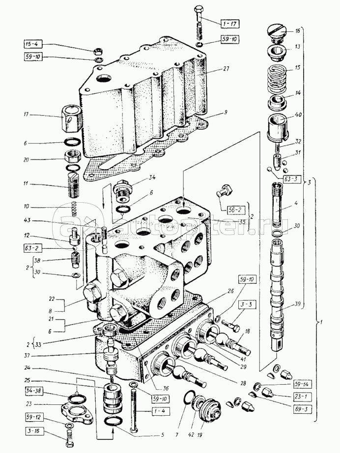
Насос гидросистемы с механизмом включения

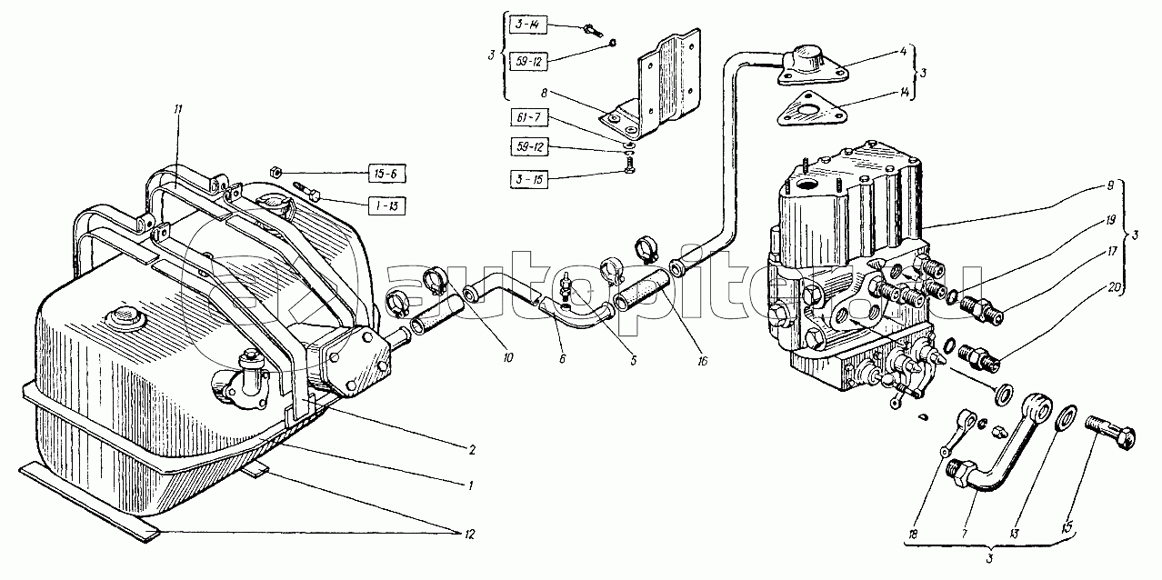
Бак гидравлической системы с фильтром

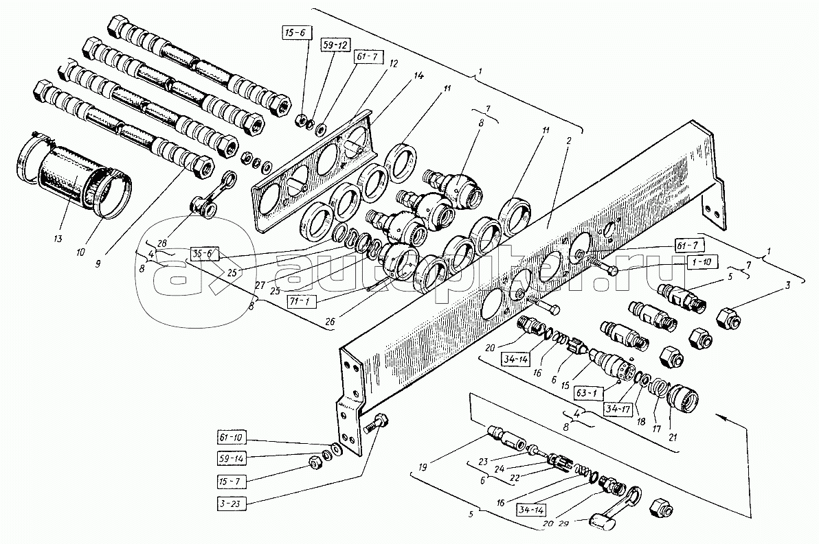
Гидрораспределитель Р80-3/1-222

Устройство тягово-сцепное

Муфта быстросоединяемая разрывная