Дон 1500Аdon-1500a
Поиск деталей
Например: Кабина
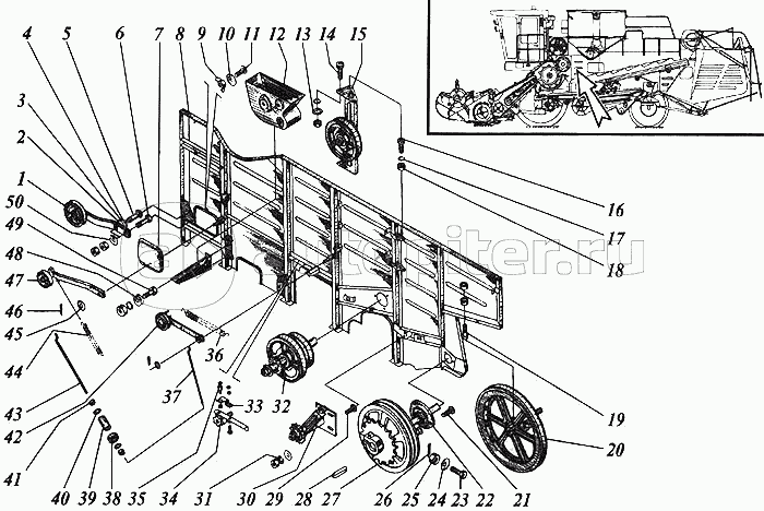
Молотилка

Панель левая передней секции молотилки

Панель правая передней секции молотилки

Барабан молотильный

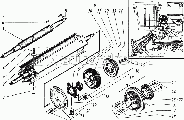
Вариатор барабана

Подбарабанье

Вал торсиона

Битер отбойный

Шкив вариатора ведущий

Механизм включения и выключения привода жатки

Панель правая каркаса молотилки

Панель левая каркаса молотилки

Рычаг

Ролик натяжной

Ролик натяжной