To content
Помощь по сайту
Новости
zapros.kg@autopiter.com
Контакты
Все категории
Каталоги запчастей
Бишкек
Вход
Корзина
Все категории
Каталоги запчастей
Фильтры Hebel Kraft
Оригинальные каталоги по VIN
Неоригинальные запчасти
Запчасти ВАЗ, ГАЗ, КАМАЗ
Запчасти для ТО
Для спецтехники
Запчасти на ВАЗ, ГАЗ, Камаз и т.д.
РСМ
Дон 1500А
Дон 1500А
don-1500a
Поиск деталей
Например:
Кабина
Кабина
Кабина
Дизель СМД-31А
Двигатель
Система питания
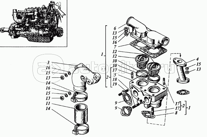
Система выпуска отработанных газов
Система охлаждения
Электрооборудование
Дополнительное оборудование
Инструмент и принадлежности
Моторно-силовая установка
Моторно-силовая установка
Ходовая часть
Шасси
Мост ведущий
Мост управляемых колес
Платформа-подборщик (ширина захвата 3,4 или 2,75 м)
Платформа-подборщик
Жатвенная часть (ширина захвата жатки 6)
Жатка
Наклонная камера
Тележка для транспортировки жатки
Молотилка
Молотилка
Очистка
Очистка
Бункер
Бункер
Копнитель
Копнитель
Измельчитель
Измельчитель
Гидрооборудование
Гидрооборудование
Электрооборудование
Электрооборудование
Приложения
Общий вид
Схемы передач
Подшипники
Приложение
Теплообменник водомасляный с центрифугой
Насос водяной и вентилятор
Ролик натяжной
Термостат
Заказы на сайте принимаются и обрабатываются круглосуточно
Бесплатно доставляем заказы «до двери» оптовым клиентам 5‑6 раз в неделю нашей собственной курьерской службой
Для тех, кто забирает заказы самостоятельно мы стараемся удобно располагать наши пункты самовывоза
Оплатить все товары можно
Или выбрать другой удобный для вас способ