Дон 1500Аdon-1500a
Поиск деталей
Например: Кабина
Платформа-подборщик

Платформа-подборщик

Платформа-подборщик

Платформа-подборщик

Фланец правой боковины

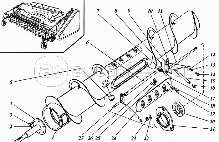
Шнек платформы

Проставка

Битер проставки платформы

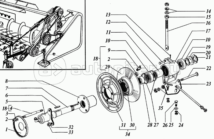
Шкив вариатора верхний

Шкив вариатора нижний

Вал контрпривода платформы и опора

Транспортер подборщика захватом 3,4 м

Транспортер подборщика захватом 2,75 м

Полотно транспортера

Вал ведущий

Вал ведущий

Вал ведомый

Устройство разгружающее, нормализатор

Колесо

Колесо