УАЗ-2206uaz-2206
Поиск деталей
Например: Кузов в сборе, кабина в сборе

Генератор

Генератор

Регулятор напряжения

Батарея аккумуляторная, выключатель зажигания

Катушка зажигания, распределитель зажигания

Распределитель зажигания

Распределитель зажигания

Свечи и провода зажигания

Стартер и выключатель стартера

Стартер и выключатель стартера

Стартер и выключатель стартера

Переключатели, выключатели

Фары

Фонари передние

Патроны ламп, внутреннее освещение кузова, лампа переносная

Фонари задние

Освещение номерного знака, выключатель сигнала торможения

Сигнал звуковой

Сигнал звуковой

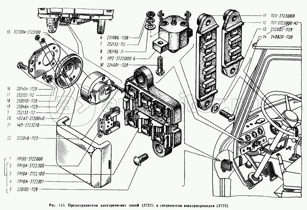
Предохранители электрических цепей, соединители электропроводов

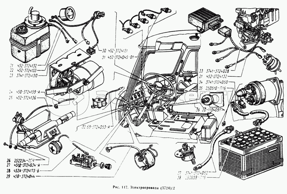
Электропровода

Электропровода

Электропровода

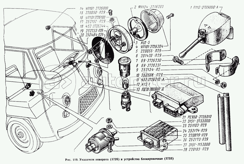
Указатели поворота, устройства блокировочные

Сигнализация световая