УАЗ-2206uaz-2206
Поиск деталей
Например: Кузов в сборе, кабина в сборе

Двигатель в сборе

Подвеска двигателя

Блок цилиндров

Головка блока цилиндров с клапанами

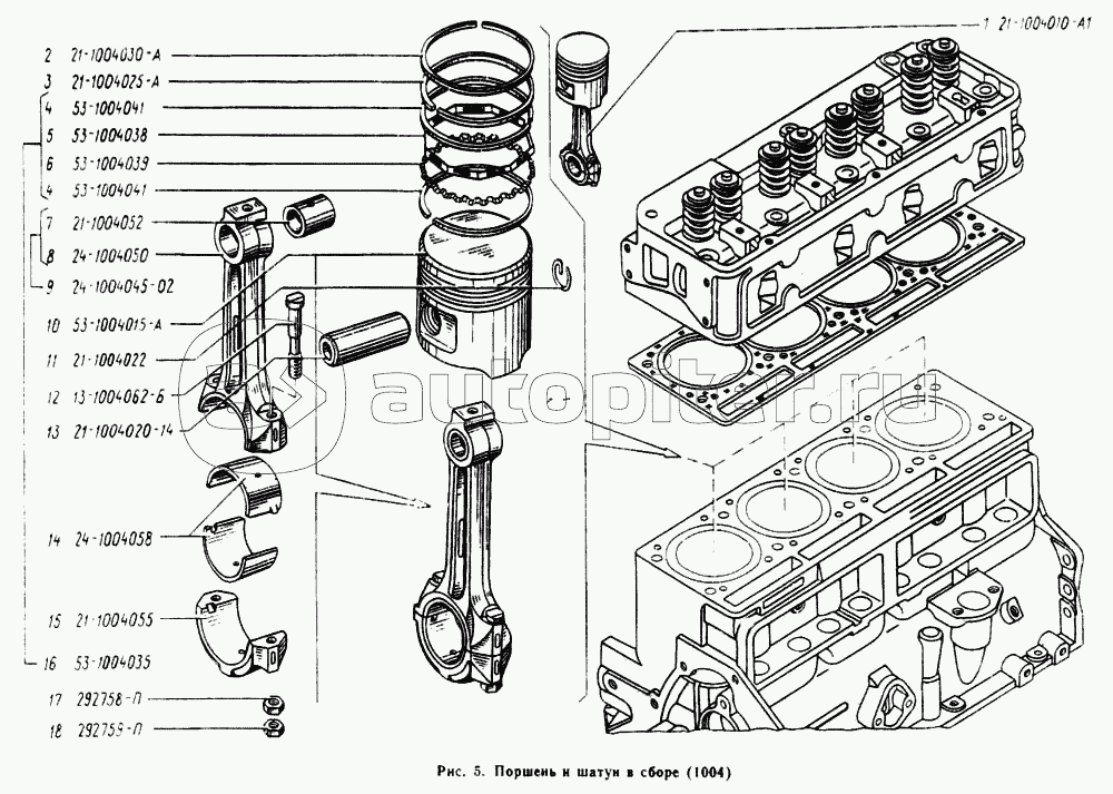
Поршень и шатун в сборе

Вал коленчатый и маховик

Вал распределительный

Клапаны и толкатели

Газопроводы впускной и выпускной

Картер (масляный)

Насос масляный

Фильтр очистки масла, радиатор масляный

Вентиляция картера

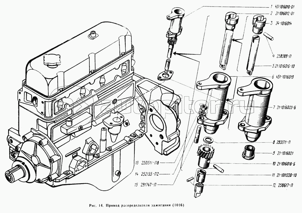
Привод распределителя зажигания