To content
Помощь по сайту
Новости
zapros.kg@autopiter.com
Контакты
Все категории
Каталоги запчастей
Бишкек
Вход
Корзина
Все категории
Каталоги запчастей
Фильтры Hebel Kraft
Оригинальные каталоги по VIN
Неоригинальные запчасти
Запчасти ВАЗ, ГАЗ, КАМАЗ
Запчасти для ТО
Для спецтехники
Запчасти на ВАЗ, ГАЗ, Камаз и т.д.
УАЗ
УАЗ-2206
УАЗ-2206
uaz-2206
Поиск деталей
Например:
Кузов в сборе, кабина в сборе
Кузов
Кузов
Пол кузова
Окно ветровое и заднее
Передок кузова
Боковина кузова
Задок кузова
Крыша кузова
Дверь передняя
Дверь задняя
Дверь задка
Сиденья
Перегородка кузова
Оборудование специализированное
Вентиляция и отопление
Принадлежности
Капот, крылья, облицовка радиатора
Платформа
Двигатель
Двигатель
Система питания
Система выпуска отработанных газов
Система охлаждения
Трансмиссия
Сцепление
Коробка передач
Коробка раздаточная
Передача карданная
Мост передний
Мост задний
Ходовая часть
Рама, бамперы и брызговики двигателя
Подвеска
Колеса
Механизмы управления
Управление рулевое
Тормоза
Электрооборудование
Электрооборудование
Приборы и датчики
Принадлежности
Инструмент и принадлежности
Бак топливный и бак топливный дополнительный
Пробка топливного бака
Трубопроводы топливные
Трубопроводы топливные
Фильтр грубой очистки топлива
Насос топливный
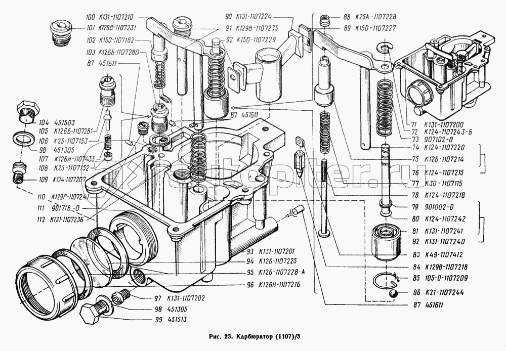
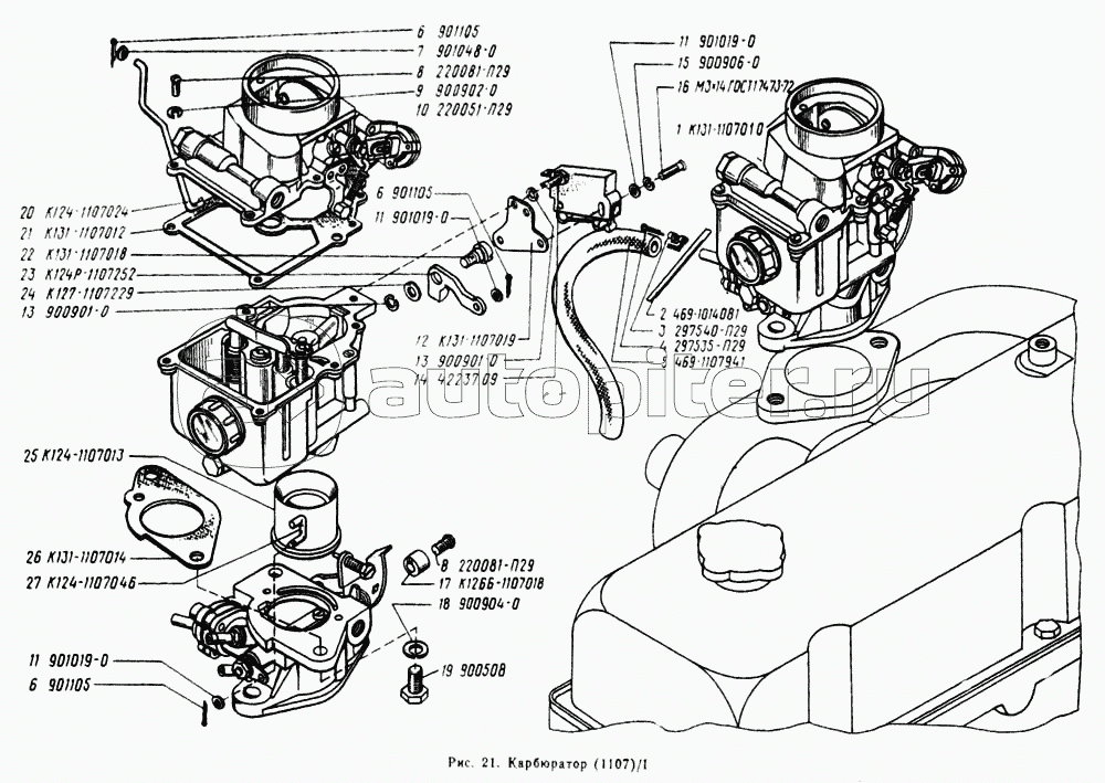
Карбюратор
Карбюратор
Карбюратор
Карбюратор
Привод управления дроссельной и воздушной заслонками
Фильтр воздушный и фильтр тонкой очистки топлива
Заказы на сайте принимаются и обрабатываются круглосуточно
Бесплатно доставляем заказы «до двери» оптовым клиентам 5‑6 раз в неделю нашей собственной курьерской службой
Для тех, кто забирает заказы самостоятельно мы стараемся удобно располагать наши пункты самовывоза
Оплатить все товары можно
Или выбрать другой удобный для вас способ