Т-40Мt-40m
Поиск деталей
Например: Кабина Т25-6700010-Е

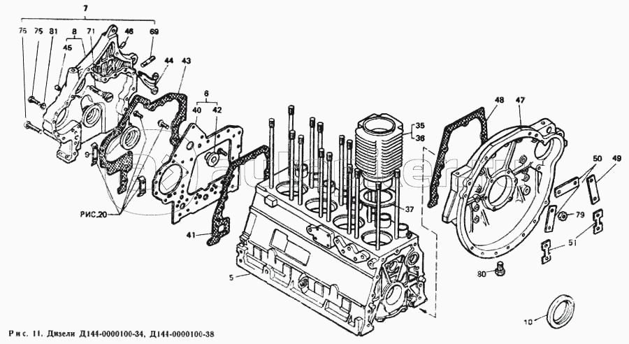
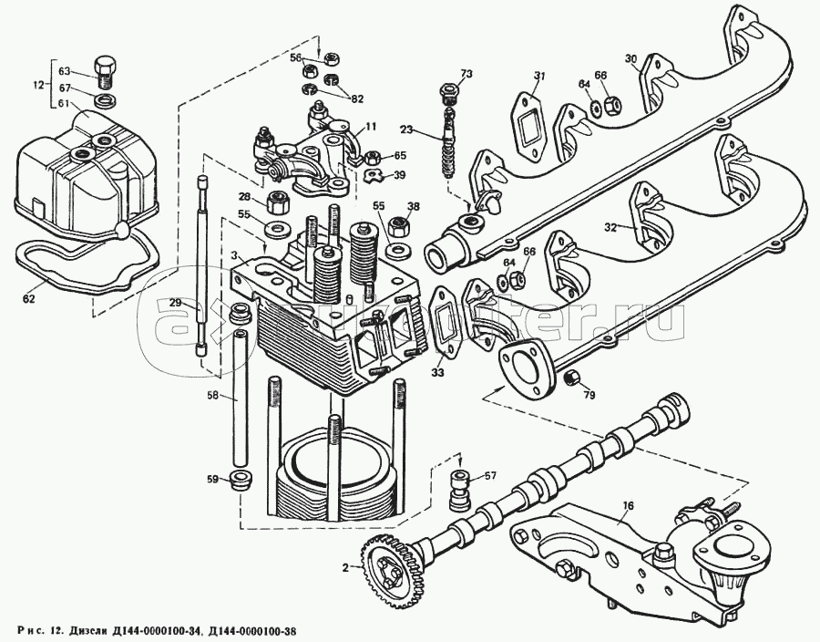
Дизели Д144-0000100-34, Д144-0000100-38

Системы дизеля

Картер дизеля

Распределительный вал, шестерни газораспределения и головка цилиндра

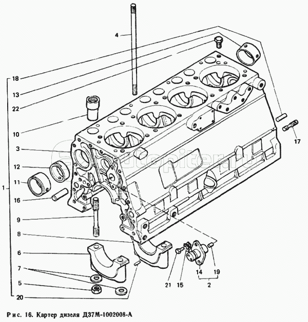
Картер дизеля Д37М-1002008-А

Головка цилиндра Д37М-1000080-Б5

Механизм кривошипно-шатунный Д144-1000120-10

Поршень и шатун Д144-1004010-А

Распределительный вал и шестерни Д144-0000150

Коромысла со стойкой Д37Е-1007080-Б2

Декомпрессоры Д37М-1019010-А2, Д37М-1019010-Б3

Агрегат пусковой ПД8-0000010-А

Двигатель ПД8-0000100

Двигатель ПД8-0000100

Двигатель ПД8-0000100

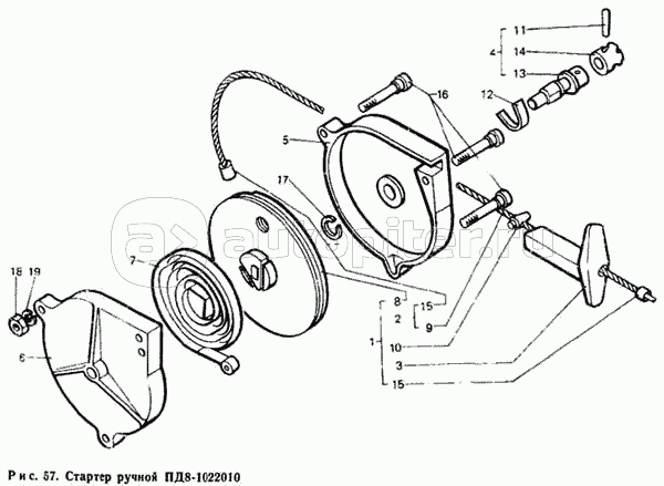
Стартер ручной ПД8-1022010

Головка цилиндра А29.01.050

Поршень и шатун А29.01.100

Опоры дизеля Т40М-1002370-Б

Управление декомпрессором Д42-1020010, Д42-1020010-02

Управление пусковым агрегатом Т40М-1024000