To content
Помощь по сайту
Новости
zapros.kg@autopiter.com
Контакты
Страна: Кыргызстан
Выберите язык
Ru — Русский
En — English
De — Deutsch
Pl — Polski
Все категории
Каталоги запчастей
Бишкек
Вход
Корзина
Все категории
Каталоги запчастей
Фильтры Hebel Kraft
Оригинальные каталоги по VIN
Неоригинальные запчасти
Запчасти ВАЗ, ГАЗ, КАМАЗ
Запчасти для ТО
Для спецтехники
Запчасти на ВАЗ, ГАЗ, Камаз и т.д.
ЛТЗ
Т-40М
Т-40М
t-40m
Поиск деталей
Например:
Кабина Т25-6700010-Е
Кузов
Кабина
Окно ветровое и заднее
Сидения
Капот, крылья, облицовка радиатора
Двигатель
Двигатель
Система питания
Система выпуска отработанных газов
Система охлаждения
Система смазки
Трансмиссия
Трансмиссия
Сцепление
Коробка передач
Коробка раздаточная
Ходоуменьшитель
Мост передний
Мост задний
Ходовая часть
Рама
Ось передняя
Колеса
Механизмы управления
Управление рулевое
Тормоза
Электрооборудование
Электрооборудование
Приборы и датчики
Дополнительное оборудование
Коробка отбора мощности
Оборудование навесное
Принадлежности
Инструмент и принадлежности
Приложение
Внешний вид тракторов и расположение агрегатов
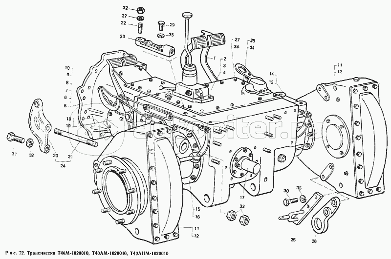
Трансмиссия Т40М-1020010, Т40АМ-1020010, Т40АНМ-1020010
Заказы на сайте принимаются и обрабатываются круглосуточно
Бесплатно доставляем заказы «до двери» оптовым клиентам 5‑6 раз в неделю нашей собственной курьерской службой
Для тех, кто забирает заказы самостоятельно мы стараемся удобно располагать наши пункты самовывоза
Оплатить все товары можно
Или выбрать другой удобный для вас способ