Т-40Мt-40m
Поиск деталей
Например: Кабина Т25-6700010-Е

Карбюратор К16Л-1107010

Воздухоочиститель ПД8-1109012

Регулятор ПД8-1110010-1А

Система питания дизеля Д144-1100010-В

Фильтр топливный грубой очистки А23.20.000-01

Фильтр топливный тонкой очистки А65-01.000

Форсунка 6Т2-20с1-2Д

Форсунка 16.1112010

Воздухоочиститель Д37Е-1109012-А3

Насос топливоподкачивающий 21.1106010

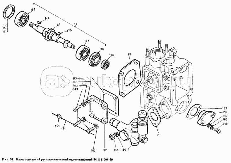
Насос топливный распределительный односекционный 54.1111004-50

Насос топливный распределительный односекционный 54.1111004-50

Насос топливный распределительный односекционный 54.1111004-50

Насос топливный распределительный односекционный 54.1111004-50

Насос топливный распределительный односекционный 54.1111004-50

Бак топливный Т40-1100050-Б, Т40АН-1100050

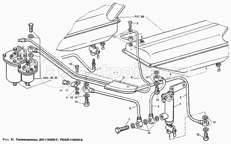
Топливопроводы Д42-1104020-Г, Т40АН-1105020-Б

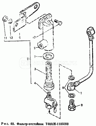
Фильтр-отстойник Т40АН-1105080

Управление подачей топлива Т40М-1108010-Б

Установка воздухоочистителя Т40М-1109010