Т-40Мt-40m
Поиск деталей
Например: Кабина Т25-6700010-Е

Мост ведущий передний

Мост ведущий передний

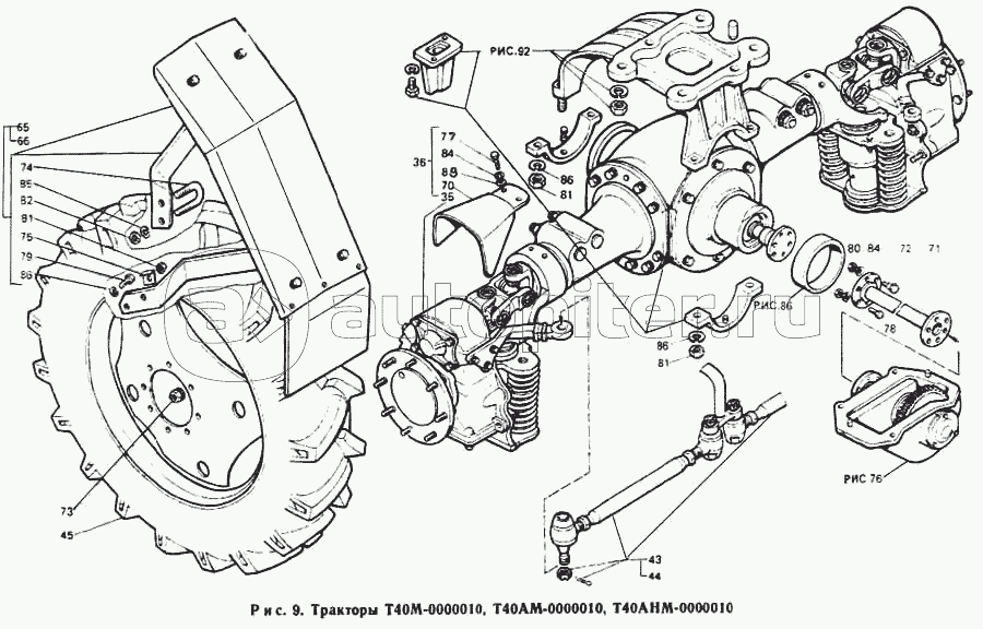
Мост ведущий Т40А-2300010-В, Т40АН-2300010

Мост ведущий Т40А-2300010-В, Т40АН-2300010

Стакан с шестерней ведущей Т40А-2302140-В1

Дифференциал Т40А-2303010-Б

Шарниры поворотные Т40А-2304010-Б1

Подвеска колеса Т40А2305010-А, Т40АН-2305010-А

Конечная передача Т40А-2306010, Т40А-2306030, Т40АН-2306010, Т40АН-2306030