Дон 1200Бdon-1200b
Поиск деталей
Например: Кабина
Кабина

Кабина

Кабина

Опора кабины

Кабина

Дверь кабины

Дверь кабины

Площадка водителя

Рычаг включения привода наклонной камеры

Рычаг подъема подбарабанья

Управление гидросистемой трансмиссии

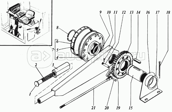
Механизм включения гидростатической трансмиссии

Управление подачей топлива

Управление подачей топлива

Управление коробкой диапазонов

Тормоз стояночный

Управление тормозами

Главный цилиндр

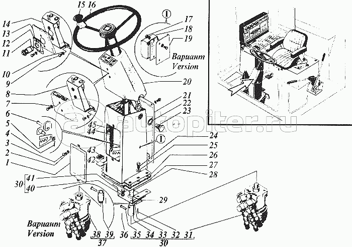
Управление рулевое

Рулевая колонка

Вентилятор

Вентилятор

Установка отопителя

Отопитель

Установка кондиционера фирмы "Konvekta"

Установка трубопроводов управления моста ведущих колес

Площадка входа в кабину

Механизм поворота лестницы