Дон 1200Бdon-1200b
Поиск деталей
Например: Кабина
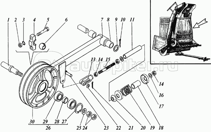
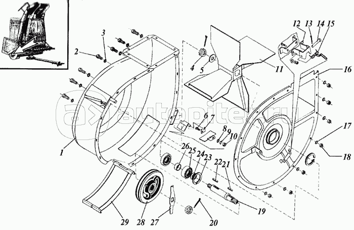
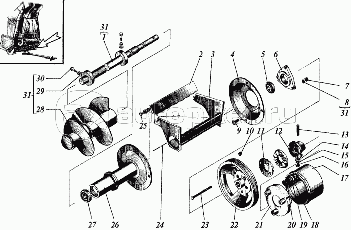
Измельчитель

Универсальное приспособление для уборки незерновой части урожая

Установка щитка ограждения вентилятора

Установка щитка ограждения барабана

Установка шкива натяжного

Установка ролика

Установка ролика натяжного привода вентилятора

Вентилятор

Шнек

Половопровод

Соломопровод

Капот

Блок измельчителя

Разбрасыватель

Противорежущее устройство

Доска транспортирующая

Ролик натяжной привода контрпривода измельчителя

Установка автосцепки

Захват

Прицеп