To content
Помощь по сайту
Новости
zapros.kg@autopiter.com
Контакты
Все категории
Каталоги запчастей
Бишкек
Вход
Корзина
Все категории
Каталоги запчастей
Фильтры Hebel Kraft
Оригинальные каталоги по VIN
Неоригинальные запчасти
Запчасти ВАЗ, ГАЗ, КАМАЗ
Запчасти для ТО
Для спецтехники
Запчасти на ВАЗ, ГАЗ, Камаз и т.д.
РСМ
Дон 1200Б
Дон 1200Б
don-1200b
Поиск деталей
Например:
Кабина
Кабина
Кабина
Дизель СМД-23
Двигатель
Система питания
Система выпуска отработанных газов
Система охлаждения
Электрооборудование
Дополнительное оборудование
Инструмент и принадлежности
Моторно-силовая установка
Моторно-силовая установка
Ходовая часть
Шасси
Мост ведущий
Мост управляемых колес
Платформа-подборщик (ширина захвата 3,4 или 2,75 м)
Платформа-подборщик
Жатвенная часть (ширина захвата жатки 6)
Жатка
Наклонная камера
Тележка для транспортировки жатки
Молотилка
Молотилка
Очистка
Очистка
Бункер
Бункер
Копнитель
Копнитель
Измельчитель
Измельчитель
Гидрооборудование
Гидрооборудование
Электрооборудование
Электрооборудование
Принадлежности
Инструмент и принадлежности
Приложения
Общий вид
Схемы передач
Подшипники
Бункер
Бункер
Днище бункера
Днище бункера
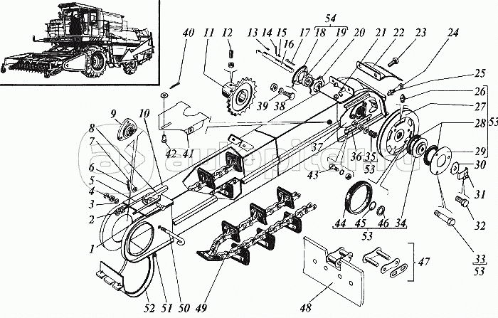
Привод выгрузного шнека
Шнек зерновой наклонный
Редуктор шнека зернового наклонного
Шнек распределительный домолачивающего устройства
Шнек выгрузной
Шнек выгрузной
Элеватор зерновой
Элеватор колосовой
Домолачивающее устройство
Заказы на сайте принимаются и обрабатываются круглосуточно
Бесплатно доставляем заказы «до двери» оптовым клиентам 5‑6 раз в неделю нашей собственной курьерской службой
Для тех, кто забирает заказы самостоятельно мы стараемся удобно располагать наши пункты самовывоза
Оплатить все товары можно
Или выбрать другой удобный для вас способ