Дон 1200Бdon-1200b
Поиск деталей
Например: Кабина
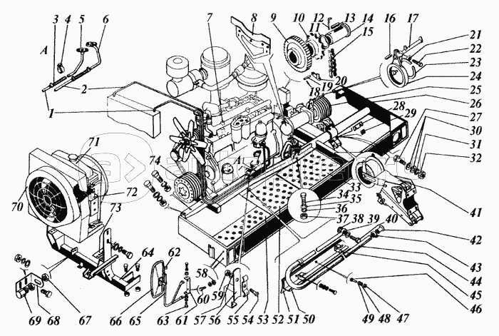
Моторно-силовая установка

Механизм включения привода молотилки

Блок радиаторов (устанавливать с двигателем СМД-31А, СМД-23, Д-461/51, Д-446/51)

Радиатор водяной (устанавливать с двигателем СМД-31А, СМД-23, Д-461/51, Д-446/51)

Установка трубопроводов блока радиаторов

Радиатор воздушный (устанавливать с двигателем СМД-31А, СМД-23)

Воздухозаборник

Установка гидронасоса

Капот

Капот радиатора

Топливопровод

Натяжник привода компрессора кондиционера

Площадка двигателя передняя

Площадка обслуживания двигателя

Натяжное устройство

Воздухоочистка

Бак топливный

Установка моторно-силовая комбайна с двигателем СМД-23

Установка моторно-силовая (устанавливать с двигателем СМД 23)

Установка моторно-силовая

Установка моторно-силовая

Топливопровод

Топливопровод