Versatile серии 2000versatile-serii-2000
Поиск деталей
Например: 04A01 Мост ведущих колес
Агрегаты и системы трансмиссииСтруктура-Рама, КабинаРулевое управлениеТормозная системаОкружающие системы – Кабина

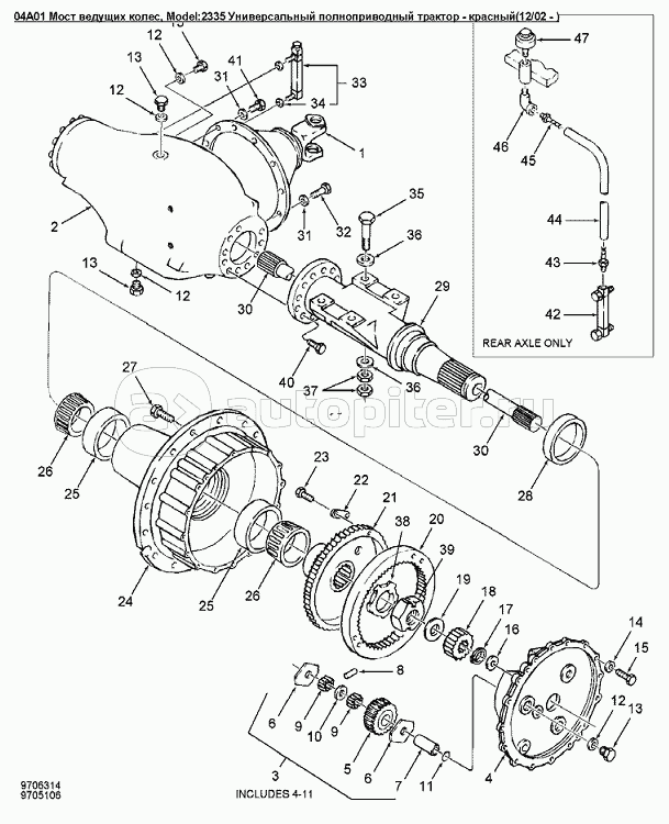
04A01 Мост ведущих колес

04B01 Крепление дифференциала в сборе

04B02 Главная передача ведущего моста

07A04 Привод механизма отбора мощности, МКПП

07A06a Задняя часть 1407 АКПП

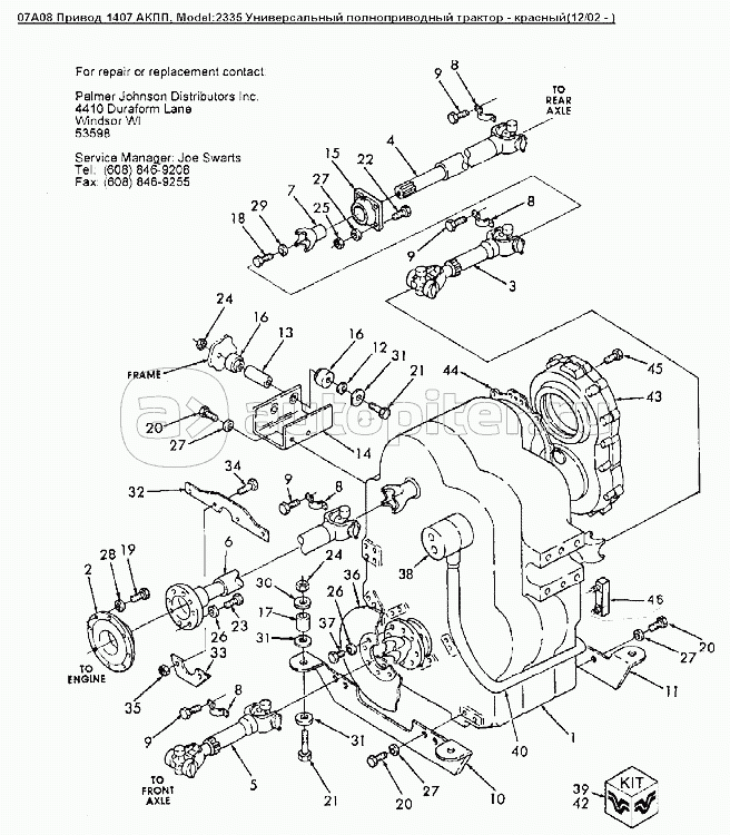
07A08 Привод 1407 АКПП

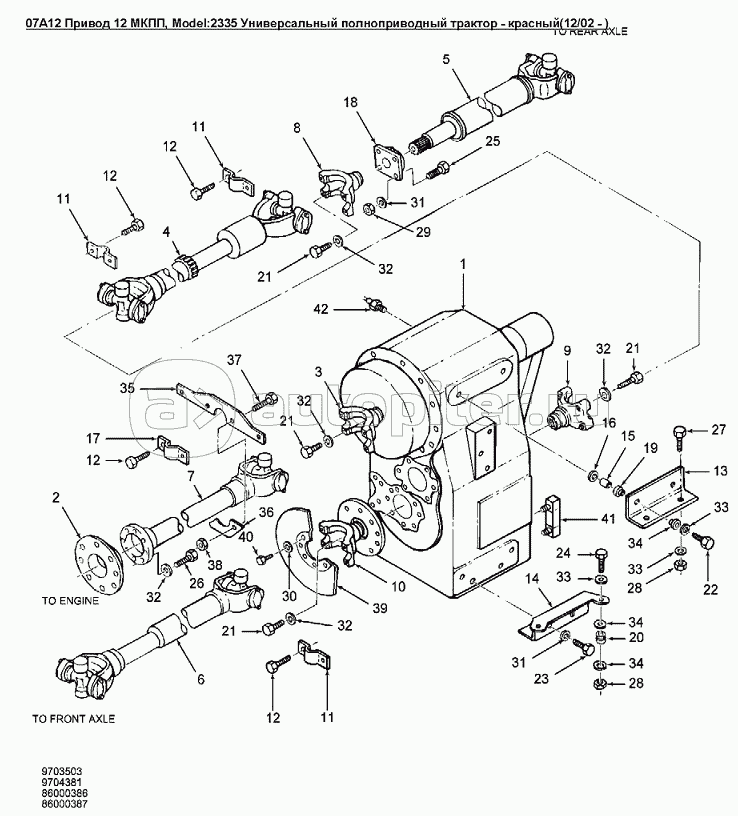
07A12 Привод 12 МКПП

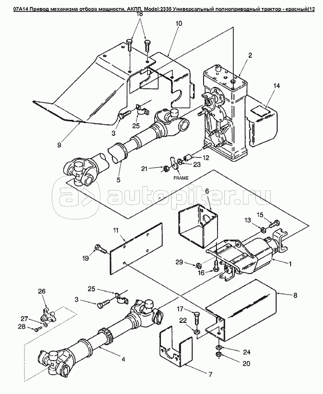
07A14 Привод механизма отбора мощности, АКПП

07B01 Раздаточная коробка механизма отбора мощности, АКПП

07B02 Муфта механизма отбора мощности

07B03 Редуктор механизма отбора мощности

07B04 Муфта сцепления механизма отбора мощности, 5-1/4, 12-ти дисковая

07C01 Пульт управления МКПП

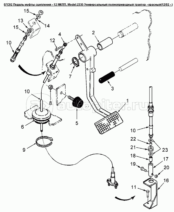
07C02 Педаль муфты сцепления - 12 МКПП

07C03 Пульт управления АКПП

07C05 Педаль муфты сцепления - 1407 АКПП

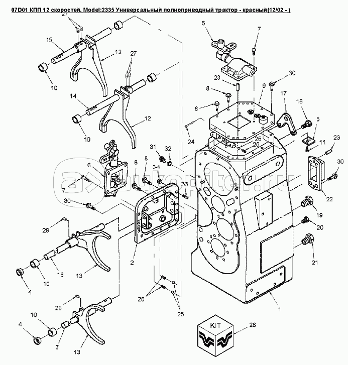
07D01 КПП 12 скоростей

07D02 Вал КПП вторичный

07D03 Вал КПП первичный

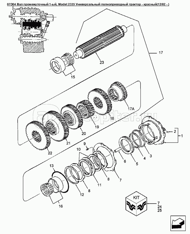
07D04 Вал промежуточный 1-ый

07D06 Система смазывания КПП

07D05 Вал промежуточный 2-ой

07D07 Муфта сцепления в сборе

07D08 Части всасывающей линии 12 МКПП

07E07 Вал карданный в сборе

07E03 Вал карданный в сборе

07E09 Вал карданный в сборе

07E10 Вал карданный в сборе

07E13 Вал карданный в сборе

07E17 Вал карданный в сборе

07E18 Вал карданный в сборе

07G01 Преобразователь в сборе

07F01 Насос шестеренчатый в сборе

07G02 Преобразователь в сборе - трансмиссия серии 9L7520 и ON