To content
Помощь по сайту
Новости
zapros.kg@autopiter.com
Контакты
Все категории
Каталоги запчастей
Бишкек
Вход
Корзина
Все категории
Каталоги запчастей
Фильтры Hebel Kraft
Оригинальные каталоги по VIN
Неоригинальные запчасти
Запчасти ВАЗ, ГАЗ, КАМАЗ
Запчасти для ТО
Для спецтехники
Запчасти на ВАЗ, ГАЗ, Камаз и т.д.
Versatile
Versatile серии 2000
Versatile серии 2000
versatile-serii-2000
Поиск деталей
Например:
04A01 Мост ведущих колес
Тракторa Buhler Versatile серии 2000 (2335, 2375, 2425)
Агрегаты и системы трансмиссии
Структура-Рама, Кабина
Рулевое управление
Тормозная система
Окружающие системы – Кабина
Силовая установка
Силовая установка универсального трактора 2335, 2375 - L4WD
Силовая установка универсального трактора L4WD – 2425
Гидравлическая система
Электрооборудование
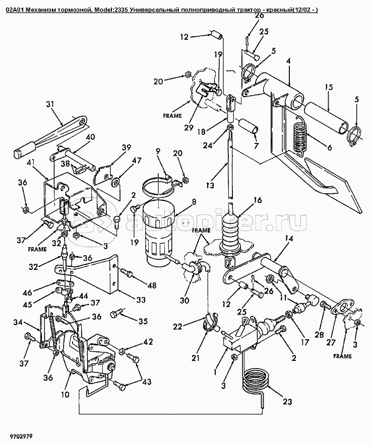
02A01 Механизм тормозной
02A03 Рычаг тормозной в сборе
02B01 Скоба тормозная
02C01 Цилиндр тормозной главный
Заказы на сайте принимаются и обрабатываются круглосуточно
Бесплатно доставляем заказы «до двери» оптовым клиентам 5‑6 раз в неделю нашей собственной курьерской службой
Для тех, кто забирает заказы самостоятельно мы стараемся удобно располагать наши пункты самовывоза
Оплатить все товары можно
Или выбрать другой удобный для вас способ