Versatile серии 2000versatile-serii-2000
Поиск деталей
Например: 04A01 Мост ведущих колес
Агрегаты и системы трансмиссииСтруктура-Рама, КабинаРулевое управлениеТормозная системаОкружающие системы – Кабина

13A01 Опора сидения

13A02 Сидение в сборе

13A03 Подвеска сидения

14C01 Зеркала наружные

15B01 Кабина в сборе

15B02 Детали интерьера кабины в сборе

15B03 Стеклоочиститель ветрового стекла

15D01 Обогреватель и кондиционер в сборе

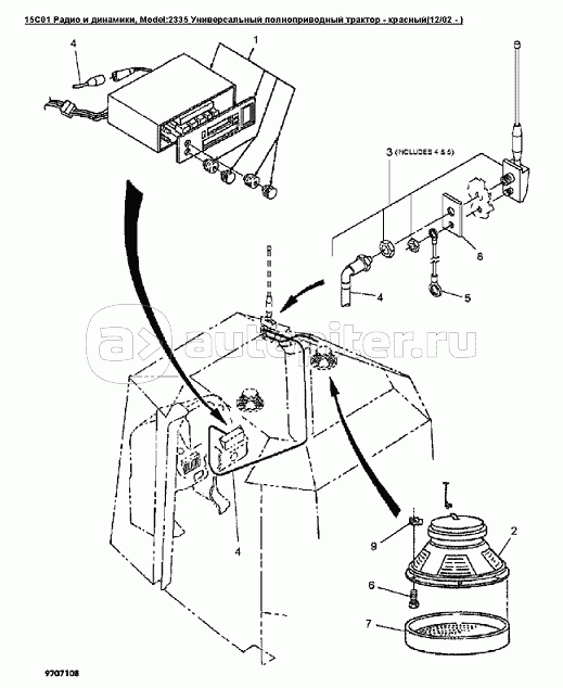
15C01 Радио и динамики

15D03 Компрессор в сборе

15D04 Обогреватель и кондиционер

15E01 Крыша

6A01 Информационные таблички - внешний вид и безопасность

8STB01 Сиденье оператора в сборе

8STB02 Основание сидения с амортизатором в сборе